C++ - Kislexikon -
ASCII -
komparátor -
HTML TAnkönyv -
szgalapjai -
XPtelepítése
C++
első programok - if-else -
ciklus - tömbök -
C++ -
codeblocks
A szokásos első program:
amely kiírja, hogy: "Hello taeu!" (vagy azt, amit az idézőjelek közé írunk):
#include <iostream>
(a kettős kereszt jelzi, hogy ez egy előfordítónak szóló utasítás)
(#include: ezzel az előfordító utasítással építjük be az iostream fájl tartalmát, így
ezt az előre megírt kódot is használni tudjuk)
(<iostream> = input/output stream = bemenet/kimenet adatfolyam: a C++ input/output kezelésére
egységesen adatfolyamokat (streamereket) használ (pl: beolvasás, kiírás))
using namespace std;
(std = standard)
(namespace std = standard névtér: itt vannak pl: a cout, endl, ... parancsok)
(using namespace std: az using szó az egész programunkra használhatóvá teszi a standard
névteret, tehát nem kell pl a cout (std::cout) vagy endl (std::endl) előtagokat kiírni, azaz nem
kell minden esetben pontosan megmondani, hogy hol található a függvény, hanem így az egész
programunkra biztosítjuk az std névtér használatát)
int main( )
(kötelező egy main nevű függvény, mert ez a programunk belépési pontja, tehát amikor a programunkat
elindítjuk itt kezdi meg a működését, és halad sorban az utasításokon)
(( ): a függvénynek nincs paramétere)
(int: a (main) függvény típusát jelenti)
(int = integer = egész (típus))
{
(a programunk kezdete)
cout << "Hello taeu!" << endl;
(cout = console output)
(a cout egy alap kimenet kezelő utasítás, ezzel megadtuk, hogy a kimeneti adatfolyamot használjuk)
(<<: ha ez a bal irányú, akkor azt mutatja, hogy kiiratás történik, azaz
a kimenet (konzol) irányába mutat a jel)
(endl: ennek hatására új sort kezd a gép)
return 0;
(ez az utasítás adja meg a függvény visszatérési értékét)
}
(a programunk vége)
"Információk":
- a sor végi pontosvessző jelzi a gépnek (fordítónak), hogy meddig tart egy program utasítás,
tehát ezzel választja el egymástól az egyes utasításokat
- látható, hogy egyenlőre csak ékezet nélküli betűket használhatunk
- endl = end line
Értékadás:
#include <iostream>
using namespace std;
int main( )
{
int x;
(ez a sor is változó deklarálását jenti)
(a változót egészként deklaráltuk, így egész számot tud megjeleníteni)
(x: a változó azonosítója, azaz a neve)
x = 7;
(a hetes értéket adtuk az x-nek)
cout << x << endl;
(kiírja az x értékét a 7-es számot)
return 0;
}
"Információk":
- main: a függvény visszatérési értéke általában 0, a többi értéket hibajelzésre használjuk
- int: a függvény visszatérési értéke integer (egész szám)
- return 0: utasítás adja a függvény visszatérési értékét, most nullát
Deklaráció és értékadás egy lépésben:
#include <iostream>
using namespace std;
int main( )
{
int x = 7;
(itt a deklaráció és az értékadás egy sorra lerövidítve történik)
cout << x << endl;
(kiírja az x értékét a 7-es számot)
return 0;
}
"Információk":
- kapcsos zárójelek:
}
...
}
: az utasítások (parancsok) a main függvény törzsében -azaz a
kapcsos zárójelek között- egyenként végrehajtódnak
- using namespace std;: a program azonosítói (nevei) a standard (std) névtérhez tartoznak
Bekért szöveg kiiratása:
#include <iostream>
using namespace std;
int main( )
{
string b;
(változó deklarálását jelenti ez a sor)
(egy string típusú változót hoztunk létre, innentől kezdve van egy üres stringünk)
(string = szöveg / karakterlánc)
(b: a változó azonosítója, azaz a neve)
cout << "Ird be a titkos belepesi kodod!" << endl;
cin >> b ;
(cin = console input, tehát itt bekérünk adatot)(vagy: beolvasás, b bekérése)
(látható, hogy a nyilak ellenkező irányba mutatnak, mint a cout-nál (jobbra))
cout << "Koszonom!" << endl;
cout << "Most mar en is tudom, hogy ez a titkos kodod " << b << endl;
return 0;
}
Ha futtatom ezt a programot,akkor kiírja, hogy: Ird be a titkos belepesi kodod!
(erre beírjuk pl): Birka123456 (utána entert ütnünk)
(kiírja): "Koszonom!"
Most már én is tudom, hogy mi a titkos kodod: Birka123456
"Információk":
- az idézőjelek közötti írásjelek sorozatát ("Ird be a titkos belepesi kodod!")
karakterláncnak (string) hívjuk
- string b;: láthatjuk, hogy string változó nem csak szövegeket, hanem kisebb számokat is
tud kezelni: Most már én is tudom, hogy mi a titkos kodod: Birka123456
- ha egy string típusú változó létrehozásakor nem adunk meg kezdőértéket, akkor üres string
lesz az értéke, tehát a következő két utasításnak ugyanaz az eredménye:
string b;
string b = " ";
Kiírások bemutatása:
#include <iostream>
using namespace std;
int main( )
{
int x = 5;
string a = "Bekapcsolom a gepem ";
string b = "es irok egy programot";
cout << 'x' << '\n';
(itt az egyszeres idézőjelek közé írt x karaktert fogja kiírni)
cout << x << '\n';
(kiírja az x értékét az 5-ös számot)
cout << a << '\n';
(kiírja az a értékének megadott szöveget)
cout << b << '\n';
(kiírja b értékének megadott szöveget)
cout << a + b << '\n';
(a + operátor hatására kiírja összekapcsolva az a és b szövegét)
a += "este";
(a += operátor hatására az a szövegéhez hozzákapcsolja az idézőjelben szereplőt)
cout << a << endl;
return 0;
}
Ha futtatom ezt a programot, akkor kiírja:
x
5
Bekapcsolom a gepem
es irok egy programot
Bekapcsolom a gepem es irok egy programot
Bekapcsolom a gepem este
"Információk":
- karakter konstans: egy karakter egyszeres idézőjelek közé írva: 'x'
- karakterlánc konstans: "szöveg idézőjelek között"
- cout << a + b << '\n';: a + operátor összefűzi a két karakterláncot (az a végén azért
hagytam egy üres helyet, hogy a két kapcsolódó szó között legyen szóköz)
- a \n escape karakterrel irattunk itt új sorba (az endl helyett)
Tabulátor bemutatása:
#include <iostream>
using namespace std;
int main( )
{
cout << "\tHu\n";
(egy oszloppal jobbra írja ki)
cout << "\Hu\n";
cout << "\tTa\t\t" << "Eu\n";
(azért kell két tabulátor, mert egy alapértelmezettnél hosszabbak
a következő sorban levő szövegek, s így kerülnek velük egy vonalba)
cout << "\tHosszabb\t" << "Szovegek" << endl;
return 0;
}
Ha futtatom ezt a programot, ezt a táblázatot kapom:
| | Hu | | | |
| Hu | | | | |
| | Ta | | Eu | |
| | Hosszabb | Szövegek |
"Információk":
- formázott kiírásokat az escape karakterekkel készíthetünk:
ez a program \t tabulátorokkal (tabulátor = táblázatkészítő) jelenítette meg ezt a táblázatot
- új sorba (az endl helyett) a \n escape karakterrel irattunk
- tehát új sorba iratást (v sortörést) háromféleképpen is megvalósíthatjuk:
endl használatával
'\n' escape karakterrel (char típusú)
vagy string változóba írva: "szoveg\n"
(\n és endl utasítás között annyi a különbség, hogy kiíratás után az endl utasítás frissíti a kimeneti
puffert -frissítéskor az endl utasítást követő szövegrész marad a pufferben-, a másik pedig nem)
Puska1:
(egy tetszőleges szám nyolcas és tizenhatos számrendszeri alakjának kiírása:)
#include <iostream>
#include <iomanip>
(bekérjük az ezekhez szükséges iomanip osztályt is)
using namespace std;
int main( )
{
int x;
cout << "Irj be egy egesz szamot!" << endl;
cin >> x;
cout << "megmondom a tizes szamrendszeri alakjat:\t"
<< dec << x << endl;
cout << "a nyolcas szamrendszerbelit:\t\t"
<< oct << x << endl;
(a különböző számú tabulátor megint a szövegek hosszának a különbözősége miatt kell)
cout << "es a tizenhatos szamrendszerit:\t\t"
<< hex << x << endl;
return 0;
}
Futtatva a programot ezeket írja ki:
Irj be egy egesz szamot!
18 (pl ezt írom be, és utánna entert ütök)
megmondom a tizes szamrendszeri alakjat: 18
a nyolcas szamrendszerbelit:
22
es a tizenhatos szamrendszerit:
12
"Információk":
- tehát a kiírásainkat formázhatjuk az escape karakterekkel
- az escape szekvenciában a fordított osztásjelt (backslash) pl követheti:
\n = újsor
\t = vízszintes tabulálás
\v = függőleges tabulálás
\a = csengő
\f = lapdobás
\r = kocsi vissza
Puska2:
(tizedestört és hatványalak)
#include <iostream>
#include <iomanip>
using namespace std;
int main( )
{
double x;
(double: mert tizedestörtet kérünk be)
cout << "Irj be egy tizedestörtet!" << endl;
cin >> x;
cout << "megmondom az 5 tizedesjegyes alakját:\t"
<< setprecision(5) << fixed << x << endl;
cout << "es az 5 tizedesjegyes hatvanyalakjat:\t"
<< setprecision(5) << scientific << x << endl;
return 0;
}
Futtatva a programot ezeket írja ki:
Irj be egy tizedestörtet!
91.204 (pl ezt írom be, és utánna entert ütök)
megmondom az 5 tizedesjegyes alakját:
91.20400
es az 5 tizedesjegyes hatvanyalakjat:
9.12040e+001
"Információk":
- cout << "megmondom az 5 tizedesjegyes alakját:\t"
<< setprecision(5) << fixed << x << endl;
a fixed mutatja, hogy itt tizedestört alak lesz
a setprecision a tizedes jegyek számának megadása, a mellette levő zárójel mutatja, hogy hány darabot (itt: ötöt)
(a \t tabulátor hatására a számot a következő oszlopba írja ki)
- cout << "es az 5 tizedesjegyes hatvanyalakjat:\t"
<< setprecision(5) << scientific << x << endl;
a scientific mutatja, hogy itt hatványalak (exponenciális alak) lesz
a setprecision a tizedes jegyek számának megadása, a mellette levő zárójel mutatja, hogy hány darabot (itt: ötöt)
(a \t tabulátor hatására a számot a következő oszlopba írja ki)
- arra figyelni kell, hogy még a magyar vesszőt használ az egész és a (tizedes)tört rész elválasztására, addig az angol pontot
Kitöltő karakterek használata
#include <iostream>
#include <iomanip>
(bekérjük az ezekhez szükséges iomanip osztályt is)
using namespace std;
int main( )
{
cout << left << setw(9) << setfill('*') <<
"Hihi" << endl;
cout << right << setw(7) << setfill('o') <<
"Haha" << endl;
return 0;
}
Futtatva a programot ezeket írja ki:
Hihi*****
oooHaha
"Információk":
- cout << left << setw(9) << setfill('*') <<
"Hihi" << endl;
kiírta: Hihi*****
a setw(9) miatt a kiírás 9 betú szélességú lesz
a left miatt az idézőjelben lévő szöveget (Hihi) balra teszi (balra igazítja)
és a setfill hatására a mellette zárójelben megadott csillagokkal kitölti a maradék helyet
- cout << right << setw(7) << setfill('o') <<
"Haha" << endl;
kiírta: oooHaha
a setw(7) miatt a kiírás 7 betú szélességú lesz
a right miatt az idézőjelben lévő szöveget (Haha) jobbra teszi (jobbra igazítja)
és a setfill hatására a mellette zárójelben megadott kis körökkel kitölti a maradék helyet
Egész számok összeadása:
#include <iostream>
using namespace std;
int main( )
{
int x, y, osszeg;
(az int (= egész) használata miatt csak egész számok szerepelhetnek)
cout << "Kerem az egesz szamu x ertekeket!" << endl;
cin >> x;
(itt kérjük be az x értékét)
cout << "Kerem az egesz szamu y ertekeket!" << endl;
cin >> y;
(itt az y értékét kérjük be)
cout << "x erteke 1-gyel novelve:" << x + 1 << endl;
(idézőjelben szereplő szöveget kiírja, az x + 1 utasításra pedig x-hez 1-et hozzáad és kiírja)
osszeg = x + y;
(itt határoztuk meg, hogy az osszeg szó mit jelentsen)
cout << "x es y osszege:" << osszeg << endl;
(idézőjelben szereplőt kiírja, és az osszeg szó kiszámolt x + y értékét is)
return 0;
}
Futtatva a programot kéri az x értékét, pl: 11 (beírás után entert ütök)
Majd az y értékét, pl: 22 (utánna entert ütök)
Ekkor kiírja:
x erteke 1-gyel novelve: 12
x és y osszege: 33
"Információk":
return 0;:
- az int main ( ) kerek zárójele a paraméterek helye, ami a főprogram lefutása után
paraméterként értéket kap, ennek nullának kell lennie (ez a hiba nélküli lefutás visszajelzése),
ezért erről gondoskodni kell a return 0; utolsó utasítással
- tehát a return 0; a hiba nélküli programfutás befejezésének a helye, ha a program eddig
lefut, akkor a programfutás a főprogramban hiba nélkül fejeződött be
Kivonás és szorzás együtt:
#include <iostream>
using namespace std;
int main( )
{
int x, y, kivonas, szorzas;
(az int (= egész) használata miatt csak egész számok szerepelhetnek)
cout << "Kerem az egesz szamu x ertekeket!" << endl;
cin >> x;
(itt kérjük be az x értékét)
cout << "Kerem az egesz szamu y ertekeket!" << endl;
cin >> y;
(itt az y értékét kérjük be)
kivonas = x - y;
(itt határoztuk meg, hogy az kivonas szó mit jelentsen)
cout << "x es y kulonbsege:" << kivonas << endl;
(idézőjelben szereplőt kiírja, és a kivonas szó kiszámolt x - y értékét is)
szorzas = x * y;
(itt határoztuk meg, hogy a szorzás szó mit jelentsen)
cout << "x es y szorzata:" << szorzas << endl;
(idézőjelben szereplőt kiírja, és a szorzas szó kiszámolt x * y értékét is)
return 0;
}
Futtatva a programot kéri az x értékét, pl: 2 (beírás után entert ütök)
Majd az y értékét, pl: 3 (utánna entert ütök)
Ekkor kiírja:
x es y kulonbsege: -1
x és y szorzata: 6
Prefix és suffix ++ operátor eredményeinek eltérése:
#include <iostream>
using namespace std;
int main( )
{
int x = 0;
int y = 5;
x = ++y;
(a ++ operátor az y előtt van)
cout << "Eredmeny, ha a ++ operator prefix:" << endl;
cout << "x = ";
cout << x << endl;
cout << "y = ";
cout << y << endl;
x = 0;
y = 5;
x = y++;
(a ++ operátor az y után van)
cout << "Eredmeny, ha a ++ operator suffix:" << endl;
cout << "x = ";
cout << x << endl;
cout << "y = ";
cout << y << endl;
return 0;
}
A program futása után kiírja:
Eredmeny, ha a ++ operator prefix:
x = 6
y = 6
Eredmeny, ha a ++ operator suffix:
x = 5
y = 6
Látható, hogy a két eredmény nem egyforma, ennek oka:
x = ++y (prefix, azaz előtag) esetében:
y = 5 kezdőértékéhez a ++ operátor hozzáad 1-et, így lesz y = 6
x ennek értékét veszi fel, tehát x = 6 lesz
x = y++ (suffix, azaz utótag) esetében:
y = 5 kezdőértékéhez a ++ operátor hozzáad 1-et, így lesz y = 6
x felveszi az y = 5 kezdőértékét (y-t csak ezután fogja megnövelni 1-gyel a suffix ++ operátor), így x = 5 lesz
Tehát a sorrend különbözősége az eredmények különbözőségét is okozza
"Információk":
- Inkrementálás: a ++ operátor a változó értékét 1-gyel növeli
az y++ egyenértékű az
y += 1 és az
y = y + 1 utasítással
- Dekrementálás: a -- operátor a változó értékét 1-gyel csökkenti
az y-- egyenértékű az
y -= 1 és az
y = y - 1 utasítással
- Mindkét operátor lehet a változónak előtagja (prefix) vagy utótagja (suffix)
if-else szerkezet mintázata:
if (kifejezés)
utasítás1;
else
utasítás2;
Puska3:
(kisebb-nagyobb relációk gyakorlása)
#include <iostream>
using namespace std;
int main( )
{
int x;
cout << "Adj meg egy egesz szamot, amelyre igaz: x > 20";
cout << endl;
cin >> x;
if (x > 20)
cout << "Jo megoldas, a szam nagyobb, mint husz";
else
cout << "Hibas megoldas, mert a szam nem nagyobb, mint husz";
return 0;
}
Futtatva a programot kéri az x értékét,(beírás után entert ütök),
ezután lehetőség van:
(pl:) 21 (ekkor a kifejezés értéke: igaz)
Erre kiírja:
Jo megoldas, a szam nagyobb, mint husz
vagy
(pl:) 20 (ekkor a kifejezés értéke: hamis)
Erre kiírja:
Hibas megoldas, mert a szam nem nagyobb, mint husz
"Információk":
if (kifejezés)
utasítás1;
else
utasítás2;
- tehát az utasítás1 akkor lesz végrehajtva, ha a kifejezés (feltétel) értéke igaz (true)
(cout << "Jo megoldas, a szam nagyobb, mint husz";)
- ha a kifejezés (feltétel) értéke hamis (false), akkor az utasítás2 kerül végrehajtásra
(cout << "Hibas megoldas, mert a szam nem nagyobb, mint husz";)
-(egy kifejezés utasítás lesz, ha pontosvesszőt teszünk utánna: kifejezés;)
A C++ nyelvnek háromféle ciklusutasítása van, ezek mintázata:
1:
while (kifejezés)
{utasítás}
Ezt elöltesztelő ciklusnak hívjuk, mert az utasítás végrehajtását megelőzi a kifejezés
kiértékelése, így csak igaz feltétel esetén lesz végrehajtva a ciklus (tehát itt
előfordulhat, hogy egyszer sem lesz végrehajtva a ciklus utasítása)
2:
do
{utasítás}
while (kifejezés)
Ezt hátultesztelő ciklusnak hívjuk, mert -itt megfordult a sorrend- az utasítás
végrehajtása után történik a feltétel ellenőrzése, tehát a do ciklus legalább egyszer mindig lefut
3:
for (kifejezés)
utasítás
Ezt akkor használjuk, ha előre megadott számszor kívánjuk végrehajtatni az utasítást, és
ez is elöltesztelő ciklus, mert az utasítás végrehajtását megelőzi a kifejezés
kiértékelése
Feladat: írassuk ki a géppel a(z egész) számokat a géppel 0-tól 10-ig
#include <iostream>
using namespace std;
int main( )
{
for (int i = 0; i < 11; i++)
{
cout << i << " ";
}
cin.get( );
return 0;
}
A program futása után kiírja:
0 1 2 3 4 5
6 7 8 9 10
"Információk":
- Tehát általánosan a for ciklus:
for (kezdeti kifejezés; ciklus feltétel; léptető kifejezés)
{
utasítások
}
- cin = console input = bekér egy "gombot" a billentyűzetről
- cin.get( );: sor hatására vár egy billentyű leütésére
Tömbök
Az egydimenziós tömb olyan halmaz, amelyben azonos típusú adatok vannak (és előre
meghatározott számú eleme van, amelyek folyamatosan helyezkednek el a memóriában)
A mintázata pedig:
típus tömbnév[méret]
#include <iostream>
using namespace std;
int main( )
{
char a[4] = { 'T', 'o', 'm', 'i' };
int x[8] = { 2, 0, 1, 8, 1, 2, 1, 2 };
(a változókhoz hasonlóan a tömböt is deklarálni kell, és egy lépésben értéket is adhatunk)
cout << "Az elso tomb tartalma:\n";
for (int i = 0; i < 4; i++)
{
cout << a[i] ;
}
cout << "\nA masodik tomb tartalma:\n";
for (int i = 0; i < 8; i++)
{
cout << x[i] ;
}
cout << endl;
return 0;
}
A program futása után kiírja:
Az elso tomb tartalma:
Tomi
A masodik tomb tartalma:
20181212
"Információk":
int x[8] = { 2, 0, 1, 8, 1, 2, 1, 2 };
- először megadom a típusát: egész számok, utánna a tömb nevét : x, és az elemeinek a
számát szögletes zárójelben (square brackets): 8
- értékeiket is megadhatom kapcsos zárójelben (brace brackets) felsorolva és vesszővel elválasztva
char a[4] = { 'T', 'o', 'm', 'i' };
- először megadom a típusát: karakterek, utánna a tömb nevét : a, és az elemeinek a
számát szögletes zárójelben (square brackets): 4
- értékeiket is megadhatom kapcsos zárójelben (brace brackets) felsorolva, vesszővel elválasztva
és egyenként szimpla idézőjelbe (single quote) téve
C++
- egy C++ program egy (vagy több) .cpp kiterjesztésű állományból áll (forrásfájlok)
- a C++ egy vagy több függvényből áll
- a C++ függvényei névterekbe vannak csoportosítva
- C++ nyelvben a blokkokat (utasítások sorozatát) { } jelek közé tesszük
- a C++ kisbetű-nagybetű érzékeny programozási nyelv
- (forrásfájlok: .cpp fájlok)
- (fordítás: az a folyamat, amely során a forrásfájlból futtatható állományt állítunk elő)
Code::Blocks

- felül látható egy a Code::Blocks 17.12 -ben megírt program
- a legalsó sorba a felépítés és futtatás (ezt a Build gombra kattintással, majd a Build and
run gomb kiválasztásával lehet elérni) után kiírta, hogy jó a program, azaz:
0 error, 0 warning
Első használatakor be kell állítani a Code::Blocks 12-őt (2018.12):
- először megnyitom
- itt megkeresem, és megnyitom: Create a new project
- Console application a következő
- next gombbal tovább lépek
- rákattintok a C++ -re
- nevet választok (beírok) (ne legyen benne ékezet, üres hely, ... ) :
Project title
proba (nevet választottam, ezzel automatikusan kitölti a többi sort)
Folder to create project in
D:\!_Munka\cplusplus\
Project filename
proba.cbp
Resulting filename
D:\!_Munka\cplusplus\proba\proba.cbp
- next gomb
- hagyom az alapértelmezett beállításokat, csak finish gomb
- a Project, Files, Symbols soron némi próbálkozás után megjelenik:
Pojects
Workspace
sources
- és akkor vagyunk kész, ha a fenti képhez hasonlóan kiírja:
main.cpp és megjelenik egy rövid alap "Hello word" program, amit aztán lehet bővíteni
- további használatakor a Code::Blocks 12-őt megnyitom
- és az alsó részén megkeresem, és megnyitom a proba nevű programomat, és azonnal tudom változtatni
Code::Blocks letöltése
- Downloads
- Downloads the binary release
- codeblocks-17.12mingw_fortran-setup.exe
- (sourceforge.net -re kattintva letöltődik)
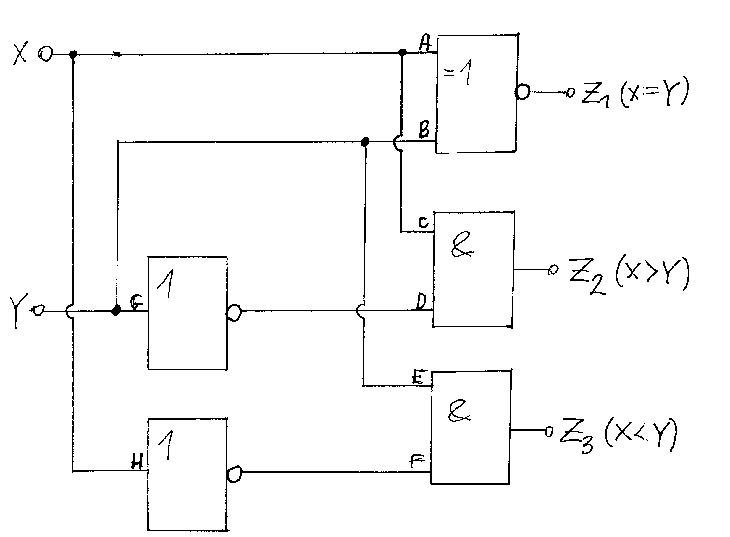
Komparátor:
A számítógép hogyan hasonlít össze két számot?
A logikai alapfüggvények a VAGY, az ÉS, és a Nem kapu (v. függvény) felhasználásával.
(Ezek működése, és igazságtáblázata a lap alján látható). A két szám összehasonlítására
szolgáló áramkört KOMPARÁTOR-nak hívjuk.
Egy bit-os komparátor kapcsolási rajza

Ennek működése a következő:
A bemenetek: X,Y (értékük: 0,1 lehet)
A kimenetek: Z1(X=Y), Z2(X>Y), Z3(X<Y)
Ha X=Y, akkor (pl:) X=1, Y=1 esetén az A pont értéke: 1, a B ponté is 1, az ekvivalancia
igazságtáblázatát megnézve a kimenet értéke: 1
Tehát Z1(X=Y) lesz kijelezve.
C pont értéke: 1 (a G ponté: 1, így a NEM kapu miatt) D értéke: 0. Megnézve
az ÉS kapu igazságtáblázatát Z2 (X>Y) kimeneten megjelenő érték 0
lesz. (Tehát nincs kijelzés.)
Mivel Y=1 így E pont értéke is 1. H pont: 1, ezért a NEM kapu miatt F
értéke: 0. Így az És kapu miatt Z3(X<Y)-nál nincs kijelzés.
Hasonlóképpen levezethető a táblázatok segítségével:
- ha X=1 és Y=0, akkor az egyes szint (azaz a kijelzés) a Z2
(X>Y) kimeneten lesz.
- ha X=0, Y=1, akkor a Z3 (X<Y)-as fog jelezni (a többi nem).
VAGY kapu működése:
| A | B | Y |
| 0 | 0 | 0 |
| 0 | 1 | 1 |
| 1 | 0 | 1 |
| 1 | 1 | 1 |
ÉS kapu:
| A | B | Y |
| 0 | 0 | 0 |
| 0 | 1 | 0 |
| 1 | 0 | 1 |
| 1 | 1 | 1 |
NEM kapu:
Ezen kívül szükségünk van még a kizáró VAGY függvény negáltjára, az
ekvivalancia függvényre.
Ennek igazságtáblázata:
| A | B | Y |
| 0 | 0 | 1 |
| 0 | 1 | 0 |
| 1 | 0 | 0 |
| 1 | 1 | 1 |
A logikai körök
fontos elemei: kapuk, memóriák, erősítők, és rezgőkörök
Windows XP telepítése:
- Először tudatni kell a számítógépünkkel hogy telepítő CD-ről
kell indulnia.
- Ezt a BIOS-ban állíthatjuk be.
- Ehhez először be kell lépnünk a BIOS-ba.
- Ez úgy történik, hogy a gépünk bekapcsolása után azonnal
megnyomjuk a DELbillentyűt. (Ha már csipogott a gépünk,
akkor elkéstünk. Ekkor RESET, és előlről.)
- A megjelenő oldalon (a nyilakkal) az Advanced BIOS
Features feliratra megyek, majd ENTER.
- A következőben a First (1st) Boot Device-ra megyek,
ENTER
- CDROM-ra megyek, ENTER
- F10
A gép újraindul, és elkezdődik a telepités.
- Ekkor kell nagyon figyelni, mert a képernyő alján utasítani
fog:
CDROM-ról való induláshoz nyomjon meg egy
gombot.
(Ha ezt gyorsan nem nyomjuk meg, akkor a régiről indul, nem a
telepítő lemezről.)
- A tényleges telepítés ekkor elkezdődik:
Megjelenik a Windows telepítése képernyő. Alsó sávban, csak
tájékoztat minket, hogy éppen mit csinál.
(Ha valakinek SATA csatoló felületű lenne a merevlemeze, azt
úgyis észreveszi, pár lépés múlva nem engedi tovább.
Ehhez az interneten találhatók anyagok.)
- Windows XP-t telepíteni akarjuk, ENTER
- Megjelenik a Licence szerződés.
F8-as (felső sorban levő) billentyű megnyomásával elfogadom,
(különben nem enged tovább.)
- Következő lépésben jó, ha a merevlemezünket legalább 2
részre (azaz particióra) osztjuk, az adatvesztések elkerülése
céljából.
Elsőn lesz a Windows XP, és a későbbiekben telepített
programok, a másodikon pedig az adataink (fényképek,
zenék,...)
A Windows XP 3 GB-ot foglal el, de a későbbi telepítések miatt
legalább 10 GB-ra állítsuk (de ha van hely, akkor 30
GB-ra)
Particiót létrehozni csak nem particionált területen
lehet, az L mint létrehozás gombbal.
(MB-ban kell megadni a méretet, pl: 10 000)
ENTER
- Ha nem üres, akkor a I gombbal kijelöljük a törlést, majd
L gomb megnyomására törli is azt.
Majd megadom a megfelelő méretet, ENTER
- Ekkor meg kell adnom a fájlrendszer típusát: NTFS-t
válasszuk gyors jelzéssel.
ENTER
- Kiírja, hogy várjak még formáz, %-ban megadja, hogy hol
tart.
- Majd újraindítja a gépet. A képernyő alján felajánlja, hogy
a CDROM-ról induljon a gép. Innentől kezdve azt egyszer sem
fogadjam el, ne nyomjak semmit.
- balra kis ablakban írja, hogy mi van kész, jobbra pedig
tájékoztat a Windows "tudásáról".
Területi és nyelvi beállításoknál áll meg először. Ha magyar,
akkor jó a beállítás.
Tovább
Nevet kér: pl: Tomi
Szervezetet nem kell
Termékazonosító kulcs: írjuk be Számítógép név: ékezetes ne
legyen benne
Rendszergazda név: Ha üresen hagyjuk bárki átveheti az
irányítást a gép felett.
Dátum, idő beállítása
- Ha eljut az ideiglenes fájlok eltávolításáig, akkor utánna
újraindul.
- Elindult a Windows XP: Üdvözöl.
- Számítógép beállítása.
- Jobb alsó sarokban: tovább
- Számítógép védelme: Zöld pajzs előtti kis körbe
kattintás
- Frissítési szolgáltatást is bekapcsolhatjuk
- Felhasználói nevem: Tomi
Ha nem működnek a jobb oldalon lévő számok,... akkor be kell
kapcsolni a bal felső sarkában levő Num Lock gombbal.
(A telepítés kb 35 percet igényelt)
Ekkor elégedetten hátradőlhetünk, mert azt hisszük, hogy
készen vagyunk.
De nem egészen, mert most kell telepíteni (pl) az ADSL PPPoE-t
a Windows XP alá, hogy kapcsolódni tudjon a
szolgáltatónkhoz:
Start
Vezérlőpult
Hálózati és internetes kapcsolatok
Hálózati kapcsolatok
Új kapcsolat létrehozása menü (Helyi kapcsolat)
Megjelenik: Új kapcsolat - Üdvözli a varázsló: Tovább gomb
Hálózati kapcsolat típusa: Kapcsolódás az internethez:
tovább
Kézzel állítom be a kapcsolatot menü: Tovább
Kapcsolat neve
Megadom az internetszolgáltató nevét: pl:
upctelekom: Tovább
Internetfiók adatai:
Felhasználónév pl:
xy@ upctelekom
jelszó, jelszó megerősítése
Parancsikon elhelyezése az asztalon: Tovább
Ha mégsem működne - 691-es kódnál a szolgáltató a hibás,
769-es kódnál a hálózati kártyáddal van baj. - akkor nem árt
keresgélni egy "hálózati kártya" telepítő CD-t
Ha már fenn vagy a hálózaton, akkor a következő feladat a
vírusírtó telepítése. Ha nem akarsz vírusírtót venni, akkor
választhatsz sok ingyenes közül, amit a honlapunk "internet"
oldalán fel is soroltunk.
Ha már megrendeltél egy fizetőst (csekken vagy átutalással
utólag fizetheted) akkor pl: Eset NOD32 telepítése:
http://www.eset.hu/letöltés
Futtatás
Telepítő varázsló -
Tovább
Elfogadom a Licence szerződést
Tipikus telepítési mód
Tovább
Aut. frissítés
Jelszók
Tovább
...
Telepítés gomb
Befejezés gomb
HTML TAnkönyv
Tartalom: Honlap készítése - Színek - Táblázatok - HTML - Linkek - Listák -
Képek - Html5
Honlapot készítünk!
Ha honlapot akarunk készíteni, akkor három feladatunk feltétlenül lesz:
1. Közölnünk kell a számítógéppel, hogy a honlapunkra érkezett. Ez a
<html> utasítással történik.
2. Be kell írnunk a honlapunkra látogatóknak szánt üzenetünket.
3. Végül közölnünk kell a géppel, hogy elhagyta a honlapunkat. Erre szolgál a </html> utasítás.
Ez a gyakorlatban így néz ki:
<html>
Ez a legegyszerűbb honlap!
</html>
És mit lát a mi kis programunkból a látogatónk:
Ez a legegyszerűbb honlap!
Láthatjuk, hogy a program utasításainkat nem teszi ki a honlapra a gép, csak azt amit az utasítások közé írtunk.
Feladat:
Írjuk ki a következő szöveget a honlapunkra:
"Ez az én honlapom!", s az "én honlapom" részt emeljük ki aláhúzással.
Az én honlapom rész aláhúzása a következőképpen történik:
1. Közöljük a számítógéppel, hogy innentől húzza alá: ez az angol underline (aláhúzás szó) rövidítésével történik: <u>
2. Beírom az aláhúzandó szöveget
3. Jelzem a gépnek, hogy itt az aláhúzás vége: </u>
Ez a gyakorlatban így fog kinézni:
<html>
Ez az <u>én honlapom </u>
</html>
A honlapunk látogatója pedig ezt fogja látni:
Ez az én honlapom
(Láthatjuk, hogy a két html (<html></html>) utasítást mindig ki kell írnunk, mert anélkül a gép nem tudja, hogy itt honlap készül)
Feladat:
Írjuk ki a látogatóinknak: "Te a ta37.eu honlapon jársz", a "ta 37.eu honlapon" rész pedig félkövér betűtípussal szerepeljen.
1. Közlöm a géppel, hogy honnan vastagítsa meg a betűket: ez az angol bold rövidítésével történik: <b>
2. Beírom a szövegrészt
3. A gépnek jelzem, hogy eddig tartott a vastagbetűs rész </b>
A programunk így fog kinézni:
<html>
Te a <b>ta37.eu honlapon </b> jársz.
</html>
A honlapunkon ez így jelenik meg:
Te a ta37.eu honlapon jársz
Láthatjuk, hogy az utasítások kezdő <html> <u> <b> és záró tagjai </html> csak egy / jelben különböznek egymástól.
Most már azt is láthatjuk, hogy a HTML-t (HyperText Markup Language) miért hívjuk hypertext-nek azaz szövegfájlnak. A programozás ugyanis "szöveggel" történik. (Még pontosabban: a HTML nem programnyelv, hanem leírónyelv!)
A gyakran használatos utasításokat (és hogy milyen betű formátumokat eredményeznek) összegyűjtöttem egy táblázatba:
| Kezdő elem | Minta (mit eredményez) | Záró elem |
| <u> | aláhúzott formátum | </u> |
| <b> | félkövér formátum | </b>
|
| <i> | döltbetűs formátum | </i> |
| <s> | áthúzott formátum | </s> |
| <sub> | alsóindex | </sub> |
| <sup> | felsőindex | </sup> |
| <kbd> | billentyűfelirat jelzése | </kbd> |
| <code> | kódoknál használjuk | </code> |
| <cite> | idézetekre használjuk | </cite> |
| <bq> | idézet jelzésére használjuk | </bq> |
| <big> | nagyméretű betűformátum | </big> |
| <small> | kisméretű betűformátum | </small> |
| <strong> | kiemelés | </strong> |
| <var> | változónevet jelöli | </var> |
| <tt> | fixpontos betűk | </tt> |
| <em> | szövegkiemelés | </em> |
| <blink> | | </blink> |
(Sajnos a blink villogó szövegét kevés böngésző tudja megjeleníteni.)
Előfordulhat az is, hogy egy szöveget kétszeresen is formázni szeretnénk. Például, ha valamit nagyon ki szeretnénk hangsúlyozni akkor vastagbetűvel írom, és alá is húzom. Ilyen esetben is a megszokott módon járok el, csak duplán alkalmazom az utasításokat:
<html>
Ez egy <b><u> nagyon fontos </u></b> mondat
</html>
Ekkor ezt fogják látni a honlapunkon:
Ez egy nagyon fontos mondat.
Ilyenkor fontos, hogy a szövegre "tükörszerűen" helyezkedjenek el az utasítások. Ennél a példánknál ha <b>-vel kezdtem, akkor </b>-vel végződjön, s ha <u> előlről a második volt, akkor </u> hátulról a második legyen.
Hiába írunk több mondatot egymás alá, a böngészők a honlapunkon (a sorvég (CR/LF) jeleket figyelmen kívül hagyják), és folyamatosan jelenítik meg a szöveget. Ha azt akarjuk, hogy honlapunkon is egymás alatt legyenek a szövegek, akkor sortörést (angol break(sortörés) rövidítése: br) kell alkalmaznunk. Ez azt jelenti, hogy ahol "sorvéget" akarunk oda egy <br>-t kell tennünk.
Pl: készítsünk meghívót:
<html>
meghívlak:<br>
mikor:<br>
hova:<br>
</html>
A böngészők a honlapunkat megjelenítve, ezt mutatják:
meghívlak:
mikor:
hová:
A <br> utasítás azok közé a ritka utasítások közé tartozik, amelynek nincs párja!
A betűket (így a szavakat is) a következő utasításpárral formálhatjuk:
<font face="név"> <color="színkód"> <size="szám"
> ide írjuk a megjelenítendő szöveget </font>
face="név"
A betűtípus szabványos nevét kell írni a név helyett.
Azonban ezt nem szokták használni a weblapszerkesztők, mert egy ritkábban használt betűtípus lehet, hogy a mások számítógépére nincs is telepítve, így azt a gépük nem tudja megjeleníteni. (Helyette az alapértelmezett betűtípust használja)
Color="színkód"
A színkódot megadhatjuk RGB értékkel, vagy angol nevével. Ha a háttér színével megegyezőre vesszük a betűk színét, akkor betűink "láthatatlanok" lesznek, beleolvadnak a háttérbe.
size="szám"
A szám szó helyére egy számot írva, a betű méretét határozzuk meg. (Itt negatív szám is szerepelhet, ami az alapbetűtípushoz viszonyított méretet jelöl.)
Feladat:
Írjuk le a piros, zöld, kék szavakat a saját színükkel:
<html>
<font color="red">piros</font>
<font color="green">zöld</font>
<font color="blue">kék</font>
</html>
amit a böngészők megjelentetnek a honlapunkon:
piros zöld kék
Kiemelést, figyelem felhívást a betűk, s a számok méretének beállításával is elérhetjük. A következőkben mindenki beláthatja, hogy a 7 nagyobb mint az 1.
<html>
1-nél nagyobb szám a <Font size="7"> 7</font>
</html>
Ennek eredménye:
1-nél nagyobb szám a 7
Színek megadása
A weboldalunkat megjelenítő eszközök (és a nyomtatók is) a színeket három alapszínből: a pirosból, a zöldből,és kékből keverik ki. Ezek az ún. RGB színek (red, green, blue angol nevük rövidítéséből).
A honlap készítője szeretné az általa megálmodott színeket viszontlátni a honlapján. Ez lehetséges is hiszen a HTML nyelvben szinte mindennek lehet adni szindefiníciót.
A HTML-ben a színeket kétféleképpen adhatjuk meg:
-"szabványosított" szavakkal (White, Blue, Green, Red, Yellow, White,...) egy táblázatban fel van sorolva, hogy mely színeket ismerik fel névről gépeink. (512 színt)
-Piros, Zöld, Kék színekből "kikeverhetjük", az RGB színkeverési algoritmusával.
Ekkor, hogy melyik színből mennyit akarunk "felhasználni", azt háromféleképpen adhatjuk meg:
-Hexadecimális, azaz 16-os számrendszerbeli számokkal. Egy alapszínnek 16X16=256 féle árnyalatot adhatunk, s mivel három alapszín van, ezért 256X256X256=16777216, azaz majdnem 17 millió színárnyalatot keverhetünk ki.
Ekkor a színünket így adhatjuk meg: #RRGGBB
Első jelnek ennél mindig a # karaktert tesszük, majd a RR(piros-piros), a GG(zöld-zöld, és a BB(kék-kék) össszetevők hexadecimális számjegyei következnek. (Ennek (pl.) egy R karakterének értékei - a tizenhatos számrendszer miatt - a 0-9-ig illetve A,B,C,D,E,F értékeket vehetik fel.) (Ezért jön ki egy színre 16X16 árnyalat).
Néhány példa az eddig ismertetett két szín megadási módra:
| Szín | Angol(definiált)neve | RGB"értéke" |
| Fekete | Black | #000000 |
| Kék | Blue | #0000FF |
| Zöld | Green | #00FF00 |
| Piros | Red | #FF0000 |
| Sárga | Yellow | #FFFF00 |
| Fehér | White | #FFFFFF |
Például a zöldnél #00FF00, hogy a pirosból nem kevertünk bele semmit (0), a zöld a legnagyobb(F)értékkel szerepel, és a kékből sem kevertünk hozzá semennyit sem(0).
Ezen kívül az RGB értékeket megadhatjuk még százalékos formában is:
color: rgb (25%, 40%, 70%);
És megadhatjuk tízes számrendszerben is az értékeket (0-255):
color:rgb(17, 98, 251);
Az már a böngészőn, a gépünkön lévő programokon múlik, hogy ezeket a színeket mennyire valósághűen tudja megjeleníteni. Ezért a nagy felbontás mellett, nagy színmélységet is be kell állítani a gépünkön. 16 bites üzemmód már jó képet ad (60 ezernél több szín). De a tökéletes megjelenítéshez 24 bites (16 millió szín) üzemmód "az igazi".
A W3C.org (World Wide Web Consortium) által megadott (HTML, CCS) szabványszínek (amelyeket névvel megadva minden böngésző biztosan felismer):
17 alapszín + 130 egyéb "előre definiált" angol színnév:
17 alapszín:
| angol színnév | szín magyar neve |
| Aqua | aqua |
| Black | fekete |
| Blue | kék |
| Fuchsia | fukszia |
| Gray | szürke |
| Grey | szürke |
| Green | zöld |
| Lime | lime |
| Maroon | gesztenyebarna |
| Navy | tengerkék |
| Olive | olíva |
| Purple | lila |
| Red | Piros |
| Silver | ezüst |
| Teal | kékeszöld |
| White | fehér |
| Yellow | sárga |
és a többi 130:
| angol számnév | szín magyar neve |
| AliceBlue | aliceblue |
| Antiquewhite | antiquewhite |
| Aquamarine | kékeszöldberill |
| Azure | égszínkék |
| Beige | bézs |
| Bisque | mogyorós |
| BlanchedAlmond | "blanchedalmond" |
| BlueViolet | ibolyakék |
| Brown | barna |
| BurlyWood | nyersfa |
| CadetBlue | cadetblue |
| Chartreuse | karthauzi |
| Chocolate | csokoládé |
| Coral | korall |
| CornflowerBlue | búzavirágkék |
| Cornsilk | Cornsilk |
| Crimson | karmazsinvörös |
| Cyan | cián |
| DarkBlue | sötétkék |
| DarkCyan | sötétcián |
| DarkGoldenRod | DarkGoldenRod |
| DarkGray | sötétszürke |
| DarkGreen | sötétzöld |
| DarkKhaki | sötétkeki |
| DarkMagenta | sötétbíborvörös |
| DarkOliveGreen | sötétolajzöld |
| Darkorange | sötétnarancssárga |
| DarkOrchid | DarkOrchid |
| Darkreed | Bordó |
| DarkSalmon | DarkSalmon |
| DarkSeaGreen | sötéttengerzöld |
| DarkSlateBlue | sötétpalakék |
| DarkSlateGray | sötétpalaszürke |
| DarkSlateGrey | sötétpalaszürke |
| DarkTurquoise | sötéttürkizkék |
| DarkViolet | sötétibolya |
| DeepPink | sötétrózsaszín |
| DeepSkyBlue | sötétégkék |
| DimGray | halványszürke |
| DimGrey | halványszürke |
| DodgerBlue | DodgerBlue |
| FireBrick | samottégla |
| FloralWhite | fehérvirág |
| ForestGreen | erdőzöld |
| Gainsboro | Gainsboro |
| Gold | arany |
| GoldenRod | aranyvessző |
| GreenYellow | sárgászöld |
| HoneyDew | mézharmat |
| HotPink | élénkrózsaszín |
| IndianRed | indiánvörös |
| Indigo | indigó |
| Ivory | elefántcsont |
| Khaki | keki |
| Lavender | levendula |
| LavenderBlush | levendulavörös |
| LawnGreen | pázsitzöld |
| LemonChiffon | selymescitrom |
| LightBlue | világoskék |
| LightCoral | világoskorall |
| LightCyan | világoscián |
| LightGoldenRodYellow | világosaranysárgavessző |
| LightGray | világosszürke |
| LightGrey | világosszürke |
| LightGreen | világoszöld |
| LightPink | világosrózsaszín |
| LightSalmon | világossalmon |
| LightSeaGreen | arany |
| LightSkyBlue | világoségkék |
| Gold | arany |
| LightSlateGray | világospalaszürke |
| LightSlateGrey | világospalaszürke |
| LightStielBlue | LightStielBlue |
| LightYellow | világossárga |
| LimeGreen | citromzöld |
| Linen | len |
| Magenta | bíborvörös |
| MediumAquaMarine | középkékeszöld |
| MediumBlue | középkék |
| MediumOrchid | középorchidea |
| MediumPurple | középlila |
| MediumSeaGreen | középtengerzöld |
| MediumSlateBlue | középpalakék |
| MediumSpringGreen | középtavaszzöld |
| MediumTurquoise | középtürkisz |
| MediumVioletRed | középlilásvörös |
| MidnightBlue | éjkék |
| MintCream | mentakrém |
| MistyRose | MistyRose |
| Moccasin | mokaszin |
| NavajoWhite | navajofehér |
| Olddace | Olddace |
| OliveDrab | OliveDrab |
| Orange | narancssárga |
| OrangeRed | OrangeRed |
| Orchid | Orchidea |
| PateGoldenRod | PateGoldenRod |
| PaleGreen | PaleGreen |
| PaleTurguoise | PaleTurguoise |
| PaleVioletRed | PaleVioletRed |
| PapayaVhip | PapayaVhip |
| PeachPuff | őszibarack |
| Peru | peru |
| Pink | rózsaszín |
| Plum | szilva |
| PowderBlue | púderkék |
| RosyBrown | rózsásbarna |
| RoyalBlue | királykék |
| SaddleBrown | nyeregbarna |
| Salmon | lazac |
| SandyBrown | homokbarna |
| SeaGreen | tengerzöld |
| SeaShell | SeaShell |
| Sienna | vörösbarna |
| SkyBlue | égkék |
| SlateBlue | palakék |
| SlateGray | palaszürke |
| SlateGrey | palaszürke |
| Snow | hó |
| SpringGreen | tavaszzöld |
| SteelBlue | acélkék |
| Tan | sárgásbarna |
| Teal | kékeszöld |
| Thistle | bogáncs |
| Tomato | paradicsom |
| Turquoise | türkiz |
| Violet | ibolya |
| Wheat | búza |
| WhiteSmoke | fátyolosfehér |
| YellowGreen | sárgászöld |
Táblázatok
A HTML szabvány által nyújtott lehetőségek közül talán ezt használhatjuk ki a legsokoldalúbban. Segít abban is, hogy oldalunk tartalma mindig rendezett képet mutasson: az egymás alatti cellák bármilyen böngészőben, bármilyen képernyőn biztos, hogy egymás alá kerülnek. Itt is van egymásba ágyazási lehetőség, ez azt jelenti, hogy a táblázat egy cellájában, akár egy új táblázatot is betehetünk. Így szinte nincs olyan alakzat, amit táblázattal ne tudnánk megvalósítani. A gépnek a <table>-vel jelezzük, hogy itt táblázat készül, és
a </table>-vel pedig azt, hogy itt a táblázatunk vége. A cellákat pedig <td>-vel, a végüket </td>-vel jelezzük.
Egy cellát készítünk ami lényegében egy 1x1-es táblázat:
<html>
<table border="1">
<tr>
<td>Én vagyok a cella</td>
</tr>
</table>
</html>
És az eredménye:
A table után szóközzel írt border="1" azt jelenti, hogy a táblázatunkat 1-es vonalvastagsággal rajzoltatjuk meg.
A <td> és a </td> közé írhatjuk be a látogatóinkkal közölni kívánt szöveget.
Hogy valamennyire már táblázat kinézete is legyen illesszünk hozzá még egy cellát.
<html>
<table border="1">
<tr>
<td>cella vagyok</td><td>én is</td>
</tr>
</table>
</html>
Eredménye:
Itt már látjuk, hogy miért kell kiírni a <tr></tr>-t is. Ez ugyanis a sor jelzése (a táblázat sorára vonatkozó paramétereket itt lehet definiálni.)
Innen nem írom ki külön a <html>-t és a </html>-t hiszen tudjuk már, hogy ezeket nem hagyhatjuk el.
Most pedig készítsünk egy igazi 2x2-es táblázatot:
<html>
<table border="1">
<tr>
<td>első sor első cellája</td><td>első sor második cellája</td>
</tr>
<tr>
<td>második sor első cellája</td><td>második sor második cellája</td>
</tr>
</table>
</html>
És az eredmény:
| első sor első cellája | első sor második cellája |
| második sor első cellája | második sor második cellája |
Láthatjuk, hogy </tr>-rel minden sort le kell zárni, és <tr>-rel újat kezdeni.
Ha a border=1 egyes számát átírjuk nullára (border=0), akkor is megmarad a rendezett külső, csak a vonalak eltűnnek.
Ha border=2-őt, 3-at írunk, akkor vastagodnak a táblázat rácsozatának a vonalai.
Értelem szerűen egy 3x3-as táblázat:
<html>
<table border="1">
<tr>
<td>1 sor 1 cella</td><td>1 sor 2 cella</td><td>1 sor 3 cella</td>
</tr>
<tr>
<td>2 sor 1 cella</td><td>2 sor 2 cella</td><td>2 sor 3 cella</td>
</tr>
<tr>
<td>3 sor 1 cella</td><td>3 sor 2 cella</td><td>3 sor 3 cella</td>
</tr>
</table>
</html>
Eredmény:
| 1 sor 1 cella | 1 sor 2 cella | 1 sor 3 cella |
| 2 sor 1 cella | 2 sor 2 cella | 2 sor 3 cella |
| 3 sor 1 cella | 3 sor 2 cella | 3 sor 3 cella |
Színezzük ki a táblázatainkat, például zöldre:
A háttérszíne a bgcolor utasítással adható meg,
pl: bgcolor= "green"
Feladat: készítsünk egy 2x2-es zöld háttérszínű táblázatot.
<html>
<table border="1" bgcolor="green" >
<tr>
<td>zöld</td><td>lettem</td>
</tr>
<tr>
<td>mi</td><td>is</td>
</tr>
</table>
</html>
Eredmény:
Feladat:
A táblázatunk keretének a színét változtassuk feketéről pirosra:
Ez a bordercolor utasítással történhet.
A színt megadhatjuk pl.így: bordercolor="red"
<html>
<table border="1" bordercolor="red" >
<tr>
<td>piros</td><td>lett a keretem</td>
</tr>
<tr>
<td>nekünk</td><td>is</td>
</tr>
</table>
</html>
Eredmény:
| piros | lett a keretem |
| nekünk | is |
Táblázat szélessége
Ha nincs rögzítve a táblázatunk szélessége, akkor - addig még hely van "tágul"- a beírt szöveg nagyságát veszi fel.
A táblázat (vagy cella) szélességének megadása
történhet pixelben, vagy a rendelkezésre álló hely százalékában. Ilyenkor ha a cellába olyan hosszú szöveget írunk ami nem fér el, akkor automatikusan több sorba tördeli azt.
egy 500 pixel szélességű táblázat:
<table width="500">
Ha a rendelkezésre álló helyünk 70%-át szánjuk rá:
<table width="70%">
Táblázat magassága
Ez is pixelben, vagy a rendelkezésre álló hely százalékában adható meg:
Egy 300 pixel magasságú táblázat:
<table height="300">
Feladat:
Készítsünk el egy 500x350 pixeles táblázatot 7-es vonalvastagságúra.
<html>
<table border="7" width="500" height="350">
<tr>
<td>ez 500x350-es cella</td>
</tr>
</table>
</html>
A látogatónk ezt láthatja:
A cellában látható szöveg vízszintes igazítása
left (balra): (ez az alapértelmezett)
right (jobbra)
center (középre)
justify (sorkizárt):(ez a "szélétől a széléig")
(decimal)
pl: align="justify"
Szöveg függőleges igazítása
top tetejére
bottom aljára
center középre
Feladat:
Készítsünk el egy 3-as vonalvastagságú 500x300-as táblázatot világoszöld(lime) háttérszínnel, piros kerettel.
A szövegünk legyen a cella jobb oldalának a közepén.
<html>
<table border="3"> bgcolor="lime" bordercolor="red"
<tr>
<td width="500" height="300" align="right" valign="center">ta37.eu
</tr>
</table>
</html>
A látogatóink ezt fogják látni:
Cellák összevonása
Az egymás mellett (egy sorban) lévő cellákat össze is vonhatjuk. Ezt colspan-rel tehetjük meg.
Feladat:
Egy 3x3-as táblázat felső sorát vonjuk össze egy cellává, és a szöveget igazítsuk középre, s az alsó sorának középső és jobb oldali celláit is vonjuk össze.
<table border="1">
<tr>
<td colspan="3"align="center">összevontak(3)</td>
</tr>
<tr>
<td></td> <td></td> <td></td>
</tr>
<tr>
<td></td> <td colspan="2">összevontak(2)</td>
</tr>
</table>
A képernyőnkön ez jelenik meg:
| összevontak(3) |
| | | |
| | összevontak(2) |
HTML
Bevezető:
Az eddig leírtakból következik, ha honlapot akarunk készíteni, akkor szükségünk lesz egy szövegszerkesztőre. Legjobb, ha a legegyszerűbbet választjuk, mert akkor nem kell azon gondolkodni, hogy amit be akarok ütni, az használható-e a HTML-ben.
Tehát:
-megnyitom a Windows jegyzettömböt
-(az eddigiek alapján) beleírom a "programom"
-kiválasztom a Fájl → Mentés másként menüpontot
-és a fájlnév után (a pont után) a kiterjesztést átírom .html-re, vagy .htm-re
(Ekkor például így néz ki az elmentett fájlom: ta37.html)
Az elmentett fájl megnyitva (2x rákattintva) a böngészőnk megmutatja a munkánk eredményét. (internetkapcsolat nélkül is).
Ha nem vagyunk az eredménnyel megelégedve, akkor bezárjuk → megint megnyitjuk a névtelen jegyzettömböt → belehúzzuk a fájlunkat (pl. ta37.html) → kijavítjuk a programot → bezárjuk → elmentjük a változtatásokat → megint megnézzük a böngészővel.
Ha már ennyi mindent tudunk, és ilyen ügyesek vagyunk, akkor nézzük meg, hogy eddig mit is csináltunk:
Mi is az a HTML nyelv?
A www az a World Wide Web alapnyelve a HTML.
A HTML az angol HiperText Markup Language (hiperszöveges leírónyelv) egy leírónyelv, amivel weboldalakat tudunk készíteni. Ezzel platformfüggetlen (szabványos, mindenhol ugyanazt jelentő) nyelv amely leírja (szabvány!) hogyan kell a fájlt (a dokumentumot) megformázni. Ez biztosítja, hogy - amilyenre én alakítom - a látogatók gépén is ugyanaz jelenjen meg. A hypertext (hiperszöveg) ennek az újdonságára (lényegére) utal, hogy egy szöveg egyes elemeihez (pl: szavakhoz) további szöveget lehet rendelni. Egy ilyen szöveget olvasva, ezek a szavak (stb.) kiemelve (pl. aláhúzva) jelennek meg, és rájuk kattintva átugrunk a megcélzott részre. Ha ebben a részben is van ilyen kapcsolat, (hiperhivatkozás, link), akkor megint továbbugorhatunk a megjelölt szövegre. Ezért hívjuk világhálónak, mert így ilyen pókhálószerű információháló jön létre a weben. (A HTML fájlokban nem csak szövegekhez rendelhetünk linkeket, hanem például képhez is.)
A HTML három nyelvi elemből építkezik:
elemekből
címkékből(angolul: tag, kiejtése: teg)
attribútumokból
Láttuk, hogy a HTML elemeinek három része van. A parancskód első része tartalmazza magát az utasítást (a gép utasítását), utánna a megjelenítendő tartalom következik, végül a kód második része amely a böngészőnek jelzi, hogy ennek az utasításnak itt van a vége: (De néhány utasításhoz nincs zárótag, ilyen pl. a sortörés helye: <br>) Ebből a három részből a böngésző csak a tartalmat fogja megjeleníteni.
Címkéknek azokat nevezzük, amelyek a < > jel között állnak. Pl. előző példáinkban a nyitó tag (címke) a táblázat cellájánál a <td>, a záró tag pedig a </td>
(A Tag=jel, azaz jelzem a gépnek (a böngészőnek), vagy parancsolom neki: hogyan formázza meg a szöveget, a fájlt.)
A kódok kezdetén és végén a < > jelek szerepelnek. Ha a böngésző ilyenhez ér akkor a köztük (< >) lévő részt parancsnak tekinti. Minden parancs szabványban van meghatározva, ezek állhatnak egy betűből, vagy többől. Például: b, table, td,...
A HTML nem kisbetű/nagybetű érzékeny (de az XHTML igen, ott csak kisbetüt használjunk.) Tehát <td>, </td> tagok között lévő rész táblázatként fog viselkedni.
Attribútumok két részből állnak:
névből, és az értékéből.
attribútum="érték" (az elemnek valamilyen tulajdonságát mutatja meg.)
Tehát a "képlete"
<címke attribútum="érték">
Az előző példával (cella)
<td width="500" height="300"></td>
Itt a címkéből (td) nem csak azt tudjuk, hogy táblázatnak egy cellájáról van szó, hanem a két attribútum (with="500", és height="300") azt is megmondja, hogy a szélességét 500 pixelre vettük, a magasságát pedig 300-ra. Ha - mint itt is - több attribútum van, akkor szóközzel választjuk el őket egymástól.
A HTML dokumentum szerkezete
Az eddigiekben megismerkedtünk azzal, hogy amit meg akarunk jeleníteni a látogatóinknak, azt hogyan kell "kiiratni" a géppel. Azonban ezzel, még csak "félig" van kész a honlapunk hiszen azt még meg is kell mutatni az interneten.
Addig már eljutottunk, hogy jelezni kell a böngészőnek, hogy itt egy HTML kódban írt dokumentum van. Ezt a <html> nyitó és a dokumentum legvégére tett </html> záró paranccsal tesszük.
Azonban -már most jelzem, hogy- egy HTML dokumentum két főrészből áll:
-Fejrészből <head>,</head>,
-Szövegtörzsből <body>, </body>
A fejrészbe (ezzel később foglalkozunk részletesebben) olyan adatok kerülnek, amelyeket a böngésző nem jelenít meg:
-Document Type Definition: pl: html 5(-ös nyelven íródott)
-lang="hu" ((magyarul írunk)
-UTF-8 (milyen a kódolás)
-ki a szerzője a honlapnak,...
Ezek alapján találják meg a honlapunk az interneten.
Szövegtörzs ez a dokumentumnak az a része, amelyet meg akarunk mutatni a látogatóknak:
szövegek, képek,... Itt sorban - elemenként - írjuk le a lap tartalmát, és annak formázását, (hogy nézzen ki). Az első 3 részben általában a dokumentum szövegtörzs részével foglalkoztunk.
Egy HTML dokumentum elvi vázlata:
<html>
<head>
fejrész
</head>
<body>
szövegtörzs
</body>
</html>
Tehát folytatjuk a <body>, </body>
rész további ismertetését a 4.fejezettel.
Linkek
A HTML dokumentum lényege, és nagy előnye más dokumentumokkal szemben a hivatkozás (link) szerinti hozzárendelés (összekapcsolás). Egy dokumentumhoz másik dokumentumot kapcsolhatunk, ezek lehetnek helyiek, vagy távoliak egy másik gépen. A hivatkozások (linkek) kötik össze a honlapokat, az egész Internet linkekből áll. Így szinte egy pókhálószerű információháló jött létre, ezért is nevezzük az internetet világhálónak. Az összekapcsolást végző linkekkel akár egyetlen cím beírása nélkül is kirándulhatunk az interneten. A hivatkozás (link) szava (vagy mondatrésze) kiemelkedik a szövegkörnyezetéből általában alá van húzva, és más a színe. Rajta a (Windows) kurzor nyila átalakul mutató kézzé. Rá kattintva eljutunk az
általa megjelölt dokumentumra, honlapra. Hivatkozást bárhová el lehet helyezni, például ebbe a szövegbe is. Természetesen a HTML fájlokban (dokumentumokban) nem csak szöveghez rendelhetünk hivatkozásokat, hanem például képekhez is. A képes hivatkozásokat nem mindig lehet elsőre észrevenni. Ha a kép fölé viszem a kurzorom nyilát, és az kéz alakúvá válik, akkor az hivatkozás (link) Ilyenkor az egész kép is lehet egy hivatkozás, de a kép több részéhez is rendelhetünk külön- külön hivatkozást. Például: egy áruház képén a ruhákra kattintva a ruhákat bemutató honlapra jutunk, míg az élelmiszerekre kattintva valamelyik élelmiszer áruházéra.
Linkeket az a (anchor, azaz horgony rövidítése) címke segítségével hozhatunk létre. Az <a>,</a> címkék között levő rész fog linkként viselkedni, a közéjük írt szöveg fog megjelenni a link szövegeként. (a "kattints ide" szövegű linkre nem szoktak rákattintani, helyette röviden, találóan írjuk oda, hogy a linkre történő kattintással hova fog jutni a látogatónk).
Három féle linket különböztetünk meg:
1.Ofszet link
Ezeket a típusú hivatkozásokat akkor szoktuk használni, ha egy nagyobb terjedelmű dokumentum különböző pontjaira akarunk "ugrani". Például a HTML TAnkönyvet tartalmazó "Internet" (vagy "Hacker") dokumentum a böngészőben egy - nagyon hosszú - lapként jelenik meg. Nagyon sokat kellene görgetni ahhoz, hogy a HTML TAnkönyvhöz eljussunk. Ha azt akrjuk, hogy a lap elejéről, egy kattintással ide ugorjunk, akkor a következőket kell tennünk:
Kiteszek egy (ofszet) linket a lap tetejére:
<a href="#tankönyv">HTML TAnkönyv</a>
Itt az a jelzi, hogy linkről van szó A # azt jelzi, hogy dokumentumon belüli hivatkozásról van szó.
A lap tetejéről ahova ugrani szeretnénk - mi esetünkben a HTML TAnkönyvre - oda ki kell tenni egy "könyvjelzőt" azaz a HTML TAnkönyv fölé be kell illesztenünk ezt a sort:
<a name="tankönyv">
Így ha fent a HTML TAnkönyvre (ez aláhúzva, más színnel szerepel) kattintok, akkor erre a könyvjelzőre ugrunk.
Láthatjuk, hogy a könyvjelzőnek (name) az "értékének" ("tankönyv") meg kell egyezni a link (href) "értékével" ("(#)tankönyv").
Helyi dokumentumra mutató link
Ha ugyanazon a szerveren (számítógépen) van a másik dokumentum is, akkor egyszerűen a másik dokumentum nevét kell megadni:
<a href="internet.html">Internet, és HTML tankönyv</a>
A link értékének ("internet.html") pontosan meg kell egyeznie a megcélzott dokumentum nevével (internet.html).
A két zárójel (> <) közé írt szövegünk fog linkként megjelenni (aláhúzva és más színnel). Ebben az esetben az egyes fájlok a nyitólappal (főlappal) azonos könyvtárban vannak.
Általános link
Ha az Internet egy tetszőleges honlapjára, dokumentumára akarunk hivatkozni (ugrási lehetőséget biztosítani), akkor egy teljes URL-t kell megadnunk linknek, pl:
<a href="http://www.ta37.eu>ta37.eu</a>
linknek megint a két zárójel (> <) közti szöveget teszi ki (ta37.eu).
Listák
Mivel az internet kezdetekor szinte minden hozzáférés szöveges volt, ezért a HTML-ben sokféle megoldással (és kényelmesen) készíthetünk listákat a <li>...</li> utasításpárral (li: list item rövidítése).
Feladat: készítsünk az eddig tanultakról egy tartalomjegyzéket.
<b> Tartalomjegyzék </b>
<li> Szöveg formázása </li>
<li> Színek </li>
<li> Táblázatok </li>
<li> HTML </li>
<li> Linkek </li>
<li> Listák </li>
Ez így fog kinézni:
Tartalomjegyzék
Szöveg formázása
Színek
Táblázatok
HTML
Linkek
Listák
Tehát a lista egy felsorolás, és minden listaelem előtt egy kör van.
Számozatlan lista
Ezt az <ul>...</ul> utasításpárral készíthetünk (ul: unordered list rövidítése, azaz számozatlan, vagy rendezetlen lista)
Ez már hierarchikus lista, azaz a főcímnek lehetnek alcímei, és az alcímnek is lehet alcíme...
Feladat: az előző tartalomjegyzék negyedik fejezetének adjuk meg az alfejezeteit, és a harmadik alfejezetének adjuk meg a címeit is.
<b>Tartalomjegyzék</b>
<ul>
<li>Szövegek formázása</li>
<li>Színek</li>
<li>Táblázatok </li>
<li>HTML</li>
<ul>
<li>Bevezető</li>
<li>Mi is az a HTML nyelv</li>
<li>A HTML három nyelvi elemből építkezik</li>
<ul>
<li>elemek</li>
<li>cimkék</li>
<li>attribútumok</li>
</ul>
<li>linkek</li>
<li>listák</li>
</ul>
Láthatjuk, hogy az <ul> utasításokat nem zárjuk le, hanem újabb <ul> utasítást írunk (17.sor, 11.sor), akkor azok újabb (al) listát nyitnak. A végén a két al(al) listát bezártuk, <ul>, </ul> így a hátulról 2., 3. sor már "normál" lista lesz.
Az utolsó sorral (</ul>) pedig az első sorban szereplő (<ul>) számozatlan lista utasítást zárjuk le.
A listánk így fog kinézni:
Tartalomjegyzék
- Szövegek formázása
- Színek
- Táblázatok
- HTML
- Bevezető
- Mi is az a HTML nyelv
- A HTML három nyelvi elemből építkezik
- elemek
- cimkék
- attribútumok
- linkek
- listák
A listát kör(disc) jelzi, az (al) listát üres kör(circle) az ("al-al") listát pedig kis négyzet(square).
Számozott lista
Számozott listát számozatlanhoz hasonlóan kell megadni, csak ilyenkor az ul helyett ol utasítást használunk (ol: ordered list rövidítése, azaz számozott, vagy rendezett lista.)
A Tartalomjegyzékünk ekkor így fog kinézni:
<b>Tartalomjegyzék</b>
<ol>
<li>Szövegek formázása</li>
<li>Színek</li>
<li>Táblázatok</li>
</ol>
A böngésző ezt jeleníti meg:
Tartalomjegyzék
- Szövegek formázása
- Színek
- Táblázatok
Több típusú listát is beállíthatunk a type utasítással:
type="1" ez az alapbeállítás (mint az előző példában is), ekkor a listaelemek arab számok (decimal)
type="I" ekkor a listaelemek (sorszámozó jelek) nagy római számok(upper-roman)
type="i", ekkor a listaelemek kis római számok (lower-roman)
type="a", ekkor a listaelemek kisbetűk (lower-alpha)
type="A", ekkor a listaelemek nagybetűk (upper-alpha)
Ezen kívül a kezdőértéket is megadhatjuk a start paraméterrel pl:
<ol start="3"> ekkor a hármas számtól kezdi el a sorszámozást.(3, 4, 5,...)
Feladat: A Tartalomjegyzékünk nagy római számokkal sorszámozzuk, majd a nagy ABC betűivel.
<ol start="1" Type="I">
<li>Szövegek formázása</li>
<li>Színek</li>
<li>Táblázatok</li>
</ol>
Ekkor ezt látjuk a képernyőn:
- Szövegek formázása
- Színek
- Táblázatok
<ol start="1" Tipe="A">
<li>Szövegek formázása</li>
<li>Színek</li>
<li>Táblázatok</li>
</ol>
Ekkor ezt látják a látogatóink:
- Szövegek formázása
- Színek
- Táblázatok
Definíciós lista
Ha fogalmakat akarunk megmagyarázni, akkor ezt dl utasítással tehetjük meg. (dl: definition list azaz definíciós lista rövidítése.)
A fogalmat a <dt> </dt> címkék közé írjuk (dt: definition term rövidítése), a magyarázatukat pedig a
<dd> </dd> utasítások közé (dd: definition description rövidítése)
példa: Írjuk le definíciós lista segítségével az "élelmiszer" oldalunkon szereplő tej meghatározását!
<dl>
<dt>Én vagyok a fogalom</dt>
<dd>Én pedig a magyarázata</dd>
<dt>Tej</dt>
<dd>A nőstény állatok tejmirigyeinek időszakosan termelt váladéka</dd>
</dl>
A képernyőnkön ez jelenik meg:
- Én vagyok a fogalom
- Én pedig a magyarázata
- Tej
- A nőstény állatok tejmirigyeinek időszakosan termelt váladéka
Képek
Mivel a HTML hypertext (azaz szövegfájl) ezért a HTML forrásszövege nem tartalmazhat képeket. Mégis nagyon szép képeket látunk a honlapokon, keretekkel, feliratokkal. Akkor hogyan lehetséges ez?
Az előző fejezetben megismert linkek segítségével. A forrásszöveg nem tartalmazza a képet, csak egy rá mutató hivatkozást (URL-t). Amelyik képre rámutatunk az fog megjelenni a honlapunkon.
Például a mi esetünkben (amikor a kép is, és a HTML forrásszöveg is, ugyanabban a könyvtárban van:
<img src="ta37eu.JPEG">
img: az angol "kép" rövidítése
src: az angol "forrás" röviditése
ta37.eu: a kép neve
JPEG: a képfájl formátumának megnevezése. (itt olyan formátum szerepelhet, amit elfogad a HTML, főleg: JPEG, GIF,...)
Kép méretének változtatása
Ha van egy 200x250-es képem, de csak jóval kisebb méretben szeretném megmutatni, akkor:
<img src="ta37.eu" width="80" height="100">
Láthatjuk, hogy az előzőhez képest nem változott a kép "megcélzása" (ta37.eu), de a szélességét a már tanult módon (width=szélesség) kétötödére (80 pixelre) vettük, s a magasságát (height=magasság) is 100 pixelre (a kétötödére) állítottuk be.
Tehát ha ugyanolyan arányban csökkentjük (vagy növeljük) az oldalakat akkor arányosan kicsinyítünk (vagy nagyítunk)
Ha például 200x120-asra vettük volna az előző kép méretét (width="200" height="120"), akkor a képünk eltorzulna (ilyenkor "összenyomom") Ezek egymás mellett így néznek ki:

Kép és a szöveg helyzetének a beállítása
Ezt az align paraméterrel állíthatjuk be.
<img src="ta37.jpg" align="middle">
Ez a szöveg jelenik meg a kép mellett
A middle (közép) hatására a szövegünk a kép közepéhez lesz kiírva.
Így fog kinézni:
Ez a szöveg jelenik meg a kép mellett
Ha a képet a jobb oldalra akarjuk tenni:
<img src="ta37.jpg" align="right">
Ekkor ezt látjuk:
Az align paraméterek értékeit, és hatásukat egy táblázatba gyűjtöttem:
| Az align paraméter értékei | Hatásuk |
| middle | Szöveg középre |
| absmiddle | (abszolút közép) a szöveg és a kép középvonala egyezzen meg |
| bottom | Szöveg alulra |
| top | Szöveg felülre |
| baseline | Szöveg a kép aljával egy vonalban |
| texttop | Szöveg és a kép felülről egy vonalban |
| left | Kép a bal oldalra |
| right | Kép a jobb oldalra |
Térköz állítása
Kép és a körülötte lévő szöveg közötti térköz méretét a hspace és a vspace paraméterekkel állíthatjuk be.
pl: <img src="ta37.jpg" hspace="5" vspace="5"> hatására a kép körül 5-5 pixel marad üresen.
Kép mint hivatkozás (link):
<a href="http://www.ta37.eu"><img src="ta37 jpg" width="200" height="250" border="3"></a>
az: <img src="ta37.jpg" width"="200" height="250" border="3"> linkre kattintva eljutok a ta37.eu honlapra.
Ezt a (linket) képet a border="3" paraméter miatt egy 3-as (3 pixel) vastagságú vonal veszi körül, ami jelzi, hogy ez a kép linkként viselkedik. Ha el akarjuk tüntetni a vonalat akkor értékét nullára kell venni (border="0")
alt, title paraméterek
<img src="ta37.jpg" alt="..." title="...">
alt="az ide írt szöveg akkor jelenik meg a kép helyett, ha a böngésző valamiért nem tudja megjeleníteni a képet."
title="az ide írt szöveg akkor lesz látható, ha az egér mutatót ráviszik a képünkre, és rövid ideig rajta tartják"
(de: az Internet Explorer az alt szövegét jeleníti meg ha a képünk fölé viszik az egérmutatót)
Az eddigiekből láthattuk, hogy az <img> azon kevés elemek közé tartozik, amelyeknek nincs zárótagja.
Képfájlok típusai
Az internetre feltett képeink formátumának kiválasztásakor elsődleges szempont a fájl mérete: (kisebb méretű gyorsabban töltődik fel) (Ezért pl. a tömörítés nélküli.bmp formátumot nem használják.)
A weben a három elterjedtebb képformátum a JPG(JPEG), GIF, és a PNG. Mindegyiknek meg van a maga előnye:
GIF(Graphics Interchange Format): elsősorban akkor használjuk, amikor kevesebb színárnyalatot kell megjeleníteni, mert csak 256-féle különböző színt tartalmazhat, pl: grafikonok, diagramok, esőkabát, gomb,...
Előnye viszont, hogy átlátszó lehet a háttere (a kép háttere felveszi az őt tartalmazó elem hátterét)
Másik hasznos tulajdonsága, hogy animált képeket is létrehozhatunk vele. (Ezek az egyes gif képekből szerkesztő programmal kapcsolhatók össze, ezt a böngésző gyors egymásutánban jeleníti meg, s így mozgóképnek néz ki).
Amikor GIF képet hozunk létre, akkor beállíthatjuk, hogy hány színt használjon fel a 256-ból, s így gyorsan letöltődő kisméretű fájlt kaphatunk.
PNG(Portable Network Graphics)
A JPG-hez hasonlóan sok millió színű lehet. A GIF-et váltanák le vele, mert általában kisebb fájlméretet eredményez a PNG, mint a GIF. Előnye még, hogy támogatja a "fokozatos átlátszóságot" is. A képek fényességét függetleníti a megjelenítéstől, így a képek ugyanúgy néznek ki minden monitoron (és nyomtatásban is).
A PNG ingyenes formátum (nem védi copyright) Hátránya - a GIF-hez képest -, hogy animált képeket nem hozhatunk létre vele.
-Internet Explorer nem támogatja az átlátszóságát.
APNG(animált PNG) a kiterjesztése animációra, azonban ezt nem minden böngésző ismeri fel.
JPEG(JPG)(foint Photographie Experts Group)
Ezzel tetszés számú színárnyalat rögzíthető (több millió színű lehet). Ez a formátum jól tömöríthető. Háttere nem lehet átlátszó.
Kiterjesztése .jpg vagy jpeg lehet.
HTML5
-15 éve fogadták el a világháló nyelvének a HTML első szabványosított változatát
-kicsit több mint 10 éves a CSS stíluslapnyelv
-Tíz éve kezdték el fejleszteni az XHTML jelölőnyelvet a HTML utódjának szánva.
-2010 januárjában született meg a döntés, hogy mégis a HTML fejlesztése lesz a jövő útja.
2011-ben a HTML5-ös verziójának szabványosítása, és egyes elemeinek fejlesztése már elég előrehaladott állapotban van (pl. audio, video funkciók)
(a kereteket viszont túlhaladott megoldásnak mondják)
A CSS3-as változatában is várhatók újdonságok (transzformációk, folyamatos átmenetek, színátmenetek,...)
Érdemes szabványkövetően készíteni a weblapokat:
-mert a böngészőfejlesztők egyre nagyobb hangsúlyt fektetnek a HTML és CSS kompatibilitásra, így a weblapunk mindegyik böngészőben ugyanúgy fog kinézni
-és így gyorsabban is töltődik le a honlap.
A HLML5-nél és a CSS3-nál erősödik a formának a tartalomtól való szétválása is.
A weboldalak tartalmát, és a tartalom struktúráját HTML jelölőnyelvvel, még a formázását a CSS stíluslapnyelvvel ajánlott készíteni.
A HTML jelölőnyelv, és a CSS stíluslapnyelv is mindenki számára ingyenesen elérhető, és egy kis gyakorlás után könnyen használható.
A HTML mint tartalom
A tartalmat a HTML jelölőnyelv segítségével jelenítjük meg. Ebbe a tartalomba címkéket helyezünk el, amelyek utasítják a böngészőket arra, hogy hogyan kell értelmezni a megjelölt (tartalmi) részeket. Ezek a cimkék (lefordítva) röviden megnevezik a tartalmukat is. Ezek csúcsos zárójelek között (<,>) vannak, és általában van egy párjuk is (a zárótag, amely a kezdőcímkénél egy per jellel tartalmaz többet). Pl: <H1>...</H1>.címke=tag(angolul)
< = less than
> = greater than
kezdőcímke = start tag (pl:<H1>)
záró címke = end tag (pl:</H1>)
per v. törtvonal = slash (</...>)
A tartalmat a címkékkel így bontjuk részekre.
A címkéknek lehetnek jellemző tulajdonságai és ezeknek értékei (A jellemző szót használjuk, hogy ne keveredhessen a CSS "tulajdonságaival")
Ekkor a címke után egy betűközt kihagyva írjuk be a jellemzőt, és az értékét =" " formában adjuk meg. (mert enélkül nincs értelme a jellemző megadásának)
Egy címkéhez több jellemző is meghatározható, ezeket szóközzel választjuk el.
<img src ="ta37.jpg" width ="100" height="70">
Jellemző tulajdonság = attribute érték = value
Videók+Hang
Eddig az <object>(ez az idegen objektumok beágyazására szolgál) címkével lehetett egy weblapra mozgókép fájlokat feltenni. Sőt még az <embed> címkével meg is kellett ismételni a kódolást. Ráadásul a böngészőnek ehhez nem volt hozzáférése, ezt a felhasználónak kellett letöltenie, és gondoskodnia a kompatibilitásról (a böngészővel.)
Vagy feltöltötték (pl.) You Tube-ra, és ezt "célozták meg" egy linkkel.)
A tervek szerint - a HTML5-ben - a videót közvetlenül a böngészőkben játszhatjuk le, és formázhatjuk CSS-el. A video-fájlba rendezést egy container formátum fogja végezni.
(Ilyen pl:
-ASF(.asf,.wmv) (Microsoft)
-AVI(.avi) (Microsoft)
-Flash Video (.flv) (Adobe)
-MPEG4 (.mp4)
-QuickTime(.mov) (Apple)
A mozgókép tartalmat a video codec kódolja, dekódolja, és tömöríti (a világhálón veszteséges tömörítési algoritmusokat használnak). A hangot pedig az audio codec kódolja, dekódolja, és tömöríti pl:
MP3: bármelyik containerbe beágyazható (maximum 2 hangcsatorna)
A HTML5-nél egy <video> elemhez több video-fájlt kell feltenni, hogy a böngésző kiválaszthassa, hogy melyiket tudja lejátszani.
A képhez hasonlóan kell megadni pl: <audio src=" "> </audio>
Div általános tárolóelem
Általában egy weblap logikailag összetartozó részét (vagy általunk kiemelni kívánt tömbjét) jelöli ki. Benne lévő tetszőleges tartalmat (szöveg, táblázat, kép, hivatkozások,...) így egységesen lehet formázni, megjelenésében is elkülöníteni a honlap többi részétől:
<div>...</div>
div division = szakasz
Ha több ilyen div általános tárolóelemet is tettünk az oldalunkba, akkor meg kell különböztetnünk őket egymástól. Azonosításuk a id jellemzőjük értékével történik. (Értelemszerűen, az id értékeiknek különbözőeknek kell lenniük, különben nem lehetne egyértelműen azonosítani őket.)
Az id-knek betűvel kell kezdődniük, nem tartalmazhatnak szóközt, és nem használhatunk ékezetes szavakat.
Egy elemet nincs értelme div blokkba rakni, az id azonosító is elég a hivatkozhatóvá, formázhatóvá tételéhez.
Ugyanis az id azonosító az általános jellemző, majdnem minden címkéhez használható (táblázatok, címsorok, listák,...) pl: <table id =" ">...</table>
A div címkét (jellemző, érték) a böngészők nem tudják értelmezni, csak egyszerűen megjelenítik. A HTML5-ben a helyette tervezett saját HTML címkés kialakítás nem csak egyszerűbb lesz, hanem a böngészők is értelmezni tudják, hogy milyen elemről is van szó.
Megjegyzések
-aki weblapkészítő programot szeretne használni, annak kezdésnek az operációs rendszere editor-ja is megteszi (v. a Notepad + szerkesztőprogram.)
-ezeken kívül sok ingyenes (és fizetős) szerkesztőprogram van. A sokak által használt vizuális (alakhű) szerkesztőprogramok (WYSIWYG = what you see is what you get = amit látsz, azt kapod) használatához nem kellenek kódolási ismeretek, de ezek megtanulása - a fejlődésünk miatt - nem spórolható meg.
-.html egyenértékű a .htm kiterjesztéssel, de következetesen az egyik fajtát kell használnunk.
-a stíluslapok kiterjesztésére a kisbetűs .CSS-t használjuk.
-Célszerű a weboldalunk minden elemét egy mappába gyűjteni. (pl: ta37), ennek nincs kiterjesztése. Ebben az oldalak ékezet nélküli kisbetűs neve után a kiterjesztés .html a böngészők az index.html (v.     ) oldalt tekintik a kezdőlapnak (címlap, home page). A stíluslapoknak a kisbetűs, ékezet nélküli neve után .CSS a kiterjesztése.
-a HTML és a CSS statikus weblapot ad, az ebbe ágyazott szkript-nyelvektől lesz dinamikus (interaktív) a honlap.
Számítástechnikai alapismeretek:
Talán azzal kellene kezdenünk, hogy nem olyan nehéz a számítógépet
kezelni, mint amilyen ilyesztőnek tűnik ez a kezdetekkor. Ezért az elején javasolnám, hogy
egy papírra írjuk fel,hogy mikre, és milyen sorrendben kell rákattintani, így
a gép azt csinálja amit szeretnénk. Később -amikor már nagyobb gyakorlatunk lesz- ez úgyis magától
elmarad.
Előttünk lévő számítógépünk képernyő, billentyűzet, egér,és a központi egység
részekből áll. Mielőtt megismerkednénk ezekkel, nézzük meg, hogy
kell bekapcsolni a gépünket.
A számítógép bekapcsolása:
1.nyomtató (vagy egyéb perifériák)
2.monitor
3.központi egység
A gép kikapcsolása:
Start gombra kattintok.
Majd a számítógép kikapcsolása gombra.
A megjelenő három gomb küzül kiválasztom a számítógép kikapcsolása gombot.
Ha ki van kapcsolva az üdvözlőképernyő, akkor a megjelenő ablakban
ki kell választani a Leállítást, majd OK gombot kell megnyomni.
(Ha úgy van beállítva a gépünk, akkor a gép előlapján lévő
bekapcsológombbal (Power) is kikapcsolhatjuk. De ha ez leállítás nélküli
azonnali kikapcsolást vált ki, akkor ezt a gombot nem szabad leállításra használni.)
Most ismerkedjünk meg néhány fogalommal, mert sokszor találkozunk
velük,így tudnunk kell, hogy mit jelentenek:
Egér
Legtöbbet ezt használjuk a gép irányítására.
Először figyeljük hogyan mozdul el a képernyőn lévő kurzur az egér mozgatásával.
Lényegében amerre mozdítjuk az egerünket az asztalunkon, arra mozdul el a nyíl a
képernyőn.
Kattintás: mutatóujjunkat helyezzük a bal oldali gombra, s nyomjuk meg az egér
elmozdítása nélkül. Ezt hívjuk Kattintásnak.
Kettős kattintás: a bal oldali gombot kétszer gyors egymásutánban
megnyomjuk. (Ha jól csináljuk, akkor megnyílik a kiválasztott ikon.)
Húzás: a nyíllal kiválasztjuk a mozgatni kívánt objektumot. Az egér bal oldali
gombját lenyomjuk, és addig így tartjuk, még az általunk kívánt helyre nem húztuk.
Ekkor elengedjük a gombot.
Képernyő
A Windows XP képernyő nagy részét az asztal tölti ki. (Lásd a fenti képen!)
A maradék részén a tálca van, amely a képernyő alsó részén végigfutó keskeny sáv.
Asztal általában háttérképű felület. Alapesetben csak a lomtár ikonja (ábrája) van
rajta, de több program ikonját is el szoktuk helyezni
rajta. (Pl: Sajátgép, Dokumentumok,..)
A Tálca többnyire a képernyő alsó részén futó sáv. Tartalmazza a start menüt, és
az órát (jobb szélén van, ha rá húzzuk az egerünket megjelenik rajta a dátum is). A
tálca közepén a folyamatban lévő tevékenységek ikonjai jelennek meg. (Pl: nyomtatóé, és
eltűnik, ha a nyomtatás befejeződött.) Ha új, letölthető Windows frissítések válnak
elérhetővé, akkor annak a jelzése is itt jelenik meg.
Start menü: a Windows használatának megkezdéséhez szükségesösszes eszköz itt
megtalálható.
Innen lehet elvégezni a következő feladatokat:
- programok indítása
- fájlok megnyitása
- a rendszer testeszabását a Vezérlőpult segítségével végezhetjük el
- segítséget kérhetünk Súgó és támogatás parancsra kattintással.
- a Keresés parancs segítségével kereshetünk a számítógépen vagy az
interneten.
A start menü egyes parancsai mellett jobbra mutató nyíl látható, amely azt jelzi, hogy a parancsból nyíló másodlagos
menüben további választási lehetőségek vannak. Az egérmutatót ezekre helyezve újabb menük
jelenhetnek meg. A leggyakrabban használt programok a Start menü bal oldalára vannak
elhelyezve.
Ikonok: a rendszeresen használt programokat ikonokkal (ezek kisméretű képek,
amelyek kifejezően utalnak a programra (pl: lomtár: kuka formájú))
jelzik a képernyőn.
A programokat elindíthatjuk, ha az ikonra állunk, és duplán kattintunk rajta.
(Ha ez nem sikerülne, akkor ezt helyettesíthetjük egyszeres kattintással, és
utánna az Enter megnyomásával.)
Ablak: ha elindítunk alkalmazásokat (adott feladatok végrehajtására készített
programok),akkor azok különböző méretű téglalapokban jelennek meg.
Minden ablak neve megjelenik a címsorban az ablak felső részén. Erre rákattintva, és az
egérgombot lenyomva tartva, elhúzhatjuk az egész ablakot a kívánt helyre.
A Kis méret gombra kattintva (kis négyzet, alján kis vonallal) az ablak összezsugorodik
egy (a tálcán megjelenő) gombra.
Teljes méret gombra kattintva (kis négyzetben egy másik kisebb négyzet) az ablak teljes
méretűvé nől.
Az előző méretűvé való visszaállítása az előzőméret gombra (kis négyzetben két
egymáson levő kisebb négyzet) való kattintással érhető el.
Bezárógombot (a kis négyzetben egy X van) megnyomva léphetünk ki a programból.
Alatta levő sáv a menüsor. (Fájl,
Szerkesztés, Formátum, Nézet,...) Rájuk kattintva megjelenik egy felsorolás. A menük
tallózásával (nézegetésével) megtalálhatjuk a különböző parancsokat.
Ha megtaláltuk a keresett parancsot,akkor egyszerűen csak rá kell
kattintani. (Csak a sötétebb színűekre lehet, a világosabb szín azt jelzi, hogy
az jelenleg nem áll a rendelkezésünkre.)
Ha a programnak további adatokra van szüksége a parancs teljesítéséhez, akkor egy
párbeszédpanel jelenik meg, és további adatokat kér. Ezek megadása többféleképpen
történhet:
-szövegmezőre kattintunk és beírjuk a szöveget
-a gép által felajánlott listából választunk
-legördülő listánál alapállapotban csak egy elemet jelenít meg, ha a nyílra kattintunk csak
akkor jelenik meg a többi lehetőség, amit kiválasztunk, arra kell kattintani
-választógombra kattintva egyetlen beállítás választható ki
-szövegek melletti kis négyzetek bejelölésével egy vagy több beállítást is megadhatunk.
A menüsor alatt is lehet egy sáv: az eszközsor (vagy eszköztár). Ez ikonok gyűjteménye,így
közvetlenül innen indíthatjuk a programokat.
Ha a tartalomnak csak kis része látszik az ablakban, akkor megjelenik az oldalán és/vagy az
alján egy gördítősáv, benne egy nyíllal. A nyílra kattintgatva láthatóvá
teszi a további részeket. A két nyíl között megjelenő gördítőgombot húzva -az előzőnél-
gyorsabban mozoghatunk az ablakban.
Ha az ablak szélére visszük az egérrel a nyilat, akkor ott a formája egy oda-vissza
mutató nyíllá alakul. Ilyenkor, ha folyamatosan nyomjuk az egér bal oldali gombját,
akkor -így húzva- az ablak szélének a helyzetét tudjuk beállítani. Ha ugyanígy az
ablak sarkára állunk, akkor a sarokhoz tartozó két oldal egyszerre mozdul el.
Vezérlőpult: A számítógép beállításának testreszabása a vezérlőpult
parancsra kattintással lehetséges:
- A Windows XP megjelenését, és működését változtathatjuk meg.
- Programokat, vagy hardvereszközöket adhatunk hozzá, és távolíthatunk el.
- Hálózati kapcsolatokat, és felhasználói fiókokat hozhatunk létre.
Windows XP
Hardware
A számítógépet és az azt felépítő részegységeket összefoglaló
néven hardvernek (hardware) nevezzük.
A számítógép használatához a központi egységen túl szükség van
kiegészítő berendezésekre is, ezek a perifériák. Ilyen például
az egér, a billentyűzet, a nyomtató, a webkamera,...
Adataink kezelése
Fontos tudnunk, hogy mekkora a számítógépünk különböző
egységeinek a kapacitása. Ehhez ismernünk kell a
mértékegységeket:
Az információ mennyiségének a mértékegysége a bit. Ennek két
állapota lehet: nulla-egy, igaz-hamis,...
Mivel a betűk leírásához betűnként többnyire nyolc
(23) bitet használtak, ezért a biteket nyolcas
csoportokba szervezték. Ezt nevezték el byte-nak (bájt).
A karakter az egy betű, egy szám, vagy egy írásjel,
amely egy byte-on tárolható. (Ma már a karakterek tárolására
két byte-ot használunk)
A számítógépünknél inkább kilobyte, megabyte, gigabyte
kifejezésekkel találkozunk. Itt azonban figyeljünk arra, hogy
1 kilobyte az nem 1000 byte, hanem 1024 byte, s 1 megabyte sem
1000, hanem 1024 kilobyte, és így tovább...
(Ennek oka a számítógép által használt kettes számrendszer:
210=2x2x2x2x2x2x2x2x2x2=1024)
A bitet általában kis b-vel rövidítjük, a byte-ot pedig
naggyal: B.
Pl: 8 kilobit=8 kb, 512 megabyte=512MB
Gyakorlati megvalósítás:
A számítógépek feldolgozandó információit raktározó
részegységét memóriának nevezzük.
A számítógép memóriájának feladata az adatok és a programok
tárolása a műveletvégzés idejére.
Kétféle memória van:
- RAM (Random Acces Memory): írható - olvasható
memóriák. Ezek a számítógép kikapcsolásakor a tartalmukat
elvesztik.
- ROM (Read Only Memory): Csak olvasható memória. Ezekre azért
van szükség, mert nem írhatjuk be minden bekapcsoláskor a
használni kívánt programot, és a hozzá tartozó adatokat.
Ezek az ún. háttértárolók: Winchester, CD, memóriakártya,
régebben a Floppy,... Ezek csak tárolásra szolgálnak,
adataikkal nem végezhetünk műveleteket, a rajtuk tárolt
programok nem futtathatók, használatukhoz előbb a memóriába
kell tölteni őket. (A memóriában csak éppen az abban a
pillanatban alkalmazott programot tároljuk.)
A háttértárolón levő nagyobb önálló egységeket állományoknak
vagy file-oknak (fájloknak) nevezzük.
Winchester vagy hard disk (HDD) a számítógépünkbe fixen
beépített merevlemezes egység.
Hordozható adattárolók közül elterjedtek a memóriakártyák, MMC
(Multimedia Card), SD (Secure Digital), CF (Compact
Flash),...
Háttértárolóink elnevezései
Mivel a számítógépünkben több lemezegység is lehet, ezeket meg
kell tudnunk különböztetni egymástól.
A:, B: betűket a cserélhető floppylemezek elnevezésére
használták. A winchestert C:-vel, ha más meghajtónk is van azt
D: , E: betűvel jelöljük. A betűk utáni kettőspont jelzi, hogy meghajtóról
van szó (nem programról)
A nagyobb kapacítású merevlemezeket partícionálhatjuk azaz
több részre is feloszthatjuk. Az így keletkező particiókat
külön meghajtóként kezelhetjük.
Állományaink elnevezései
Erre egy állománynevet és egy kiterjesztést használunk, amiket
egy ponttal választunk el egymástól. Az állománynév
megmutatja, hogy mit tartalmaz az állományunk, a kiterjesztés
pedig az állomány típusára mutat. Pl Maci.JPG arra utal, hogy
itt Maci kutyáról egy kép van. Ha az állomány kiterjesztése
DOC, akkor az valószínűleg egy Wordben készült dokumentum, ha
EXE, akkor az egy elindítható program.
Fontos, hogy egy helyen nem lehet azonos nevű és azonos
kiterjesztésű állomány.
Katalógus
A lemezen tárolt állományokról (adatok, programok,
szövegek,...) a gépünk katalógust készít, amelyet minden
lemezre írásnál fissít. Ezt lekérhetjük a Windows Intéző
programmal, a sajátgép tallózásával,... (Itt láthatjuk az
állomány nevét, kiterjesztését, készítésének időpontját,...)
Operációs rendszer
Kikapcsoláskor csak a RAM memóriák törlődnek, a ROM memóriák
pedig nem. Így bekapcsoláskor a programot tartalmazó ROM
memóriák segítségével valamilyen háttértárolóról betöltünk a
számítógépünk RAM memóriájába egy alap-működtető programot,
amely már végre tudja hajtani az utasításainkat. (billentyűzet,
monitor,... vezérlő,...)
Bekapcsoláskor láthatjuk, hogy kell valamennyi idő még gépünk
"feléled", és dolgozni tudunk vele.
A számítógépünk alap-működtető programelemét nevezzük
operációs rendszernek: OS (Operating System) Ezzel a
rendszerrel tudunk tehát kommunikálni a számítógépünkkel
(programokat, adatokat másolhatunk, törölhetünk, lemezeket
kezelhetünk,...)
Operációs rendszerből sokféle létezik, egy közülük a Windows
XP is.
A Windows szó jelentése: ablakok. Ha használjuk a Windows-t,
akkor a képernyőn téglalapok jelennek meg. Ezek mindegyike
önálló programot, feladatot, alkalmazást jelenít meg. Ezeket a
téglalapokat tetszőlegesen tudjuk kinyitni, becsukni,
áthelyezni, ezért nevezték el őket ablakoknak.
A Windows egy grafikus operációs (vagy keret-) rendszer. A
grafikus üzemmódban a képernyőt képpontok alkotják. Ezek száma
függ a videokártyától és az üzemmódtól: 640x480, 800x600,
1024x768, 1280x1024,... Színük is a videokártyától függően 2,
4, 16, 256, 32000, 16 millió,... lehet.
Így a TV-hez hasonlóan a képernyő minden pontját külön-külön
tudjuk kezelni ezért nem csupán karaktereket tudunk kezelni,
hanem bármi mást is. Pl. többféle betűtípust használhatunk,
ábrákat,...
Ennek az ára a lasabb képernyőkezelés és a nagy memória
igény.
Másik üzemmódban a monitorra csak szöveges információk
kerültek. A monitort felosztottuk 80x25 cellára, minden cella
egy karaktert (vagy üres karaktert) tartalmazhat. Ezt az
üzemmódot használta például a DOS.
A Windows XP magyar nyelvű verziójának a használatát
javaslom.
A Windows XP operációs rendszernek két változata van: a Home
és a Professional. Ez utóbbi részletesebben tudja kezelni a
fájlok hozzáférési jogait. Egyetlen byte a különbség a kettő
között. A Home változatban blokkolva van a hozzáférési jogok
kezelésének a lehetősége a Windows/system32/rshx32.dll
fájlban.
Ha a fájlt átirjuk és a registry hivatkozását megváltoztatjuk
a Home verziónkból "Professional lesz".
A Windows az "ablaktechnika" miatt egységes kezelői felületet
biztosít. Ez azt jelenti, hogy a különböző programok kezelése
nagymértékben hasonlít egymásra. (megnyitás, nyomtatás,
mentés,...)
Hardverfüggetlen, mert a programok automatikusan a Windows
felületéhez igazodva indulnak, így nem szükséges a külön-külön
beállítás.
Az egységes adatformátum megkönnyíti a programok közötti
adatátvitelt.
A felhasználót segítve, a Dokumentum kezelését helyezi
előtérbe a programokkal szemben.
A Windows operációs rendszer alatt egy időben több programot
tudunk futtatni párhuzamosan.
Fájlkezelés
Anyagainkat a háttértárolón állományokban (lényege, hogy
összetartozó adatokat tartalmaz, pl: kép, zene, szöveges
dokumentum, futtatható program, táblázat,...)
Ezek különböző meghajtók (wichester, CD, memóriakártya,...)
mappáiban helyezkednek el.
Keresésük elsősorban a nevükkel, majd a nevüktől ponttal
elválasztott kiterjesztésükkel történik.
A fájlok méretének, a fájl bájtban mért hosszát kapjuk meg. (
A méretét nem tudjuk módosítani.)
A fájl létrehozásának a dátuma sem módosítható. (de trükkösen
átállítható, ha átállítjuk az órát, és ezt követően újból
elmentjük.)
Windows Intéző, vagy Sajátgép Intéző indításakor nem minden
fájl fog megjelenni a listában. Ha a rendszerfájlokat és a
rejtett állományokat is meg akarom jeleníteni, akkor ezt
beállíthatom a Vezérlőpult - Mappabeállítások - Nézet fülnél.
("megjelenítés"-t kipipálom, "elrejtés" előtti négyzetből
pedig törlöm.)
Windows Intéző szolgál az állományok kezelésére, de a
mappalista sok ablaknál is bekapcsolható a Mappák-ra
kattintva, vagy a Nézet menünél a Böngészősáv Mappák-kal.
Ha egy fájl minden adatát szeretnénk megtudni, akkor a használt
ablak Nézet menüjéből a Részletek pontot kell
választanunk.
Mappák attribútumait ki - be kapcsolhatjuk, pl:
Írásvédett: Csak módosítható
Tömörített: az így jelölt fájlokat a Windows tömörítve
tárolja (ezzel helyet takarít meg, de jóval lasabban lehet
hozzáférni)
Titkosított csak létrehozója tudja megnyitni, mert
kódolva kerül tárolásra.
Meg kell még említeni a néhány byte hosszú
parancsikonokat, amik csak "hivatkozások" a máshol
elhelyezkedő fájlunkra. (Bal alsó sarkukban levő nyílról
ismerhetők fel.)
Egér jobb gombjának elengedésekor megjelenik egy menü,
amiből választhatunk.
Fájlműveletnél az első dolgunk a fájl kijelölése.
Ha egy van, akkor egyet kattintok rajta.
Ha az összes fájlt ki
akarom jelölni, akkor egyszerre megnyomom a Ctrl-A
billentyűket.
Ha több, nem egymás melletti fájlt akarok kijelölni, akkor a
Ctrl gombot nyomom folyamatosan, és kattintok a kijelölendő
fájlokon.
Fájlok másolása:
Ctrl billentyűt folyamatosan lenyomva tartjuk. Az
egérkurzorral ráállunk az ikonjára, lenyomjuk az egér gombját,
és csak akkor engedjük fel, ha már a kívánt helyre vittük az
egérkurzort.
Fájlok áthelyezése:
A mozgatni kívánt fájlra rákattintok, és az egérkurzort oda
viszem, ahová át akarom helyezni. Itt engedem csak fel az egér
gombját.
Mozgatás csak egy meghajtón belül lehetséges. Másik
meghajtóra csak másolás lehetséges.
Fájlok átnevezése:
Kijelölöm az átnevezendő állományt, és mégegyszer kattintok
rajta. Ekkor az állomány nevén megjelenik a szövegkurzor, és
be lehet írni az új nevet. (A kijelölés után, a Fájl menü
Átnevezés menüpontjával is ezt az eredményt érem el.)
Fájlok törlése:
Kijelölöm, és megnyomom a Del billentyűt. (vagy a Fájl menü
Törlés menüpontját választom.)
Állományok indítása:
Ha egy programról van szó, akkor az ikonján történő dupla
kattintásra indul (vagy kijelölöm, és Entert nyomok)
Ha nem program, akkor a kiterjesztése által hozzá társított
program indul el, majd ebbe töltődik az állományunk.
Új könyvtár létrehozása
Kijelölöm, hogy hova akarom helyezni, majd Fájl menü - Új
menüpont - Mappa almenü, és beírom a nevét.
Parancsikon létrehozása:
A parancsikon egy program indítására szolgál, és általában az
asztalra szoktuk tenni: Először kijelöljük azt, ahová ki
akarjuk tenni. Utánna Fájl menü - Új menüpont - Parancsikon,
majd megadjuk az indítani kívánt programunk nevét, (vagy kiválasztjuk a
Tallózás gombbal) A tovább gombra kattintunk, és begépeljük az
általunk adott nevet.
Fájlok nyomtatása:
Kijelöljük a nyomtatandó fájlt, és a Fájl menü Nyomtatás
menüpontjára kattintok. Ha megfelel a megjelenő nyomtatási
alapbeállítás, akkor az OK gombbal indítom a nyomtatást.
Lemez formázása
A formázandó lemezmeghajtón a jobb egérgombbal kattintok, majd
a felkínált lehetőségekből kiválasztom a Formázás menüpontot,
és az Inditás gombot.
Teljes lemez másolása
Jobb egérgombbal rákattintok, és a lemez másolása menüpontot
választom. Kiválasztom a kívánt meghajtókat, majd az Indítás
gombra kattintok.
Paint
Egyszerűbb rajzok készítésére, képek kisebb javítására
használhatjuk. Felépítése hasonló a többi programéra.
Felül a megszokott menüsort láthatjuk Bal oldalon:
Csillag, téglalap:
Terület kijelölésére szolgálnak.
Téglalapra kattintok. Utána amelyik részt ki akarom jelölni,
annak az egyik sarkán lenyomom az egér gombját, a másik
sarkában felengedem. Így egy téglalapot jelöl ki
Csillagra
kattintva körberajzolhatom a kijelölt területet.(Ha nem
egyezik a kezdő, és a végpontom, akkor azt automatikusan egy
egyenessel összeköti.)
Teljes képet is kijelöli, ha a bal oldaliakon történő
kattintás után kattintok a képen, vagy Szerkesztés →
összes kijelölése
Radír
Egér bal gombját megnyomva egy pontot tüntet el, ha közben
mozgatjuk, akkor azt a részt, amin áthalad. Ennek a pontnak a
nagyságát az ecsetforma választóval állíthatjuk be. Nagyobb
részt is törölhetünk, ha kijelöljük, majd megnyomjuk a del
billentyűt.
Befestés
Csak zárt vonallal határolt területek színét tudjuk
megváltoztatni.
Következővel színt vehetünk fel képről.
Nagyító
Kattintsunk a nagyítón, majd a kép nagyítandó részén. Nagyobb
nagyításnál pontonként is javíthatjuk a képünk.
Ceruza
Ha rajta kattintunk, akkor szabadkézzel rajzolhatunk. (a bal
egérgomb lenyomása teszi a "papírra" a ceruzát.)
Ecset
Festés a rajzolással azonos módon történik. Alul választhatjuk
ki az ecsetünk formáját, és nagyságát.
Festékszóró
Hasonlóan működik, csak nem olyan szabályos formával.
A
Itt szöveget lehet írni a képünkre. A rajta való kattintás
után ki kell jelölni azt a területet, ahová írni akarok.
(Egyik sarokban kattintok a másik sarokban engedem fel.) A
megjelent kereten belül kattintok, begépelem a szöveget (a
betűket is beállíthatom a megjelenő ablakban). Ha azt
szeretnénk, hogy a háttér ne tűnjön el az íráskor:
eszköztár, kijelölésválasztók, kattintás az alsón.
Egyenes vonal rajzolása
Kezdőponton kattintok a bal gombbal, másik végén engedem fel.
Vonalvastagságot alul tudom állítani. Törlés: háttérszínre
állítom.
Görbe rajzolása
Előbb megrajzolom a két pont között az egyenes vonalat, majd
oda kattintok, ahová a görbét ki akarom "húzni." Ezt ismételve
tehetünk további görbületeket az egyenesre.
Téglalap
Egeret lenyomom a kezdőpontnál. felengedem a végpontjánál.
Belső színt alulról a palettáról bal gombbal - háttérszínt
jobb gombbal - veszem fel. (Négyzetet Shift billentyű lenyomva
tartásával).
Sokszög
Először egyenes vonalat rajzolunk, majd kattintgatok a sokszög
további csúcspontjaira.
Elipszis
Mint a téglalapnál (Kört a Shift billentyű lenyomva
tartásával)
Kerekített sarkú téglalap
Mint a téglalapot.
Színek felvétele
Alulról történik. A megfelelő színen kell kattintani. (Ezt a
bal első szín jelzi). Jobb egérgombbal háttérszínt tudunk
kiválasztani.
Saját színt is keverhetünk:
Színek, → Színek szerkesztése → jobb oldalon levő
kis nyilat mozgathatom.
Képek
Méretének változtatása:
Kép → Attribútumok → Szélesség,...
Kép egy részének mentése:
kijelölöm → Szerkesztés → Fájlba másolás
Képre más kép beillesztése:
Szerkesztés → Fájl beillesztése → kiválasztom a
beillesztendő képem → Megnyitás
Kép egy részének másolása:
kijelölöm → Ctrl billentyűt lenyomom →
egérgombot lenyomom.
Képrészlet vágólapra másolása:
kijelölés → Szerkesztés → Másolás (vagy
Ctrl-C)
Effektusok:
kijelölöm → Kép menü → tükrözés, nyújtás,
döntés,... Ha nem jelöltem ki, akkor az egész képem
módosul.
(Forgatásnál a szöget is be kell jelölni).
Mentésük:
Fájl → Mentés → Fájl → Mentés másként
(nevet kér, milyen formátumot akarok...)
Nyomtatás
Fájl → Nyomtatás → ha az alapbeállítások
megfelelnek: OK
Célszerű előtte megnézni, hogy hogyan fog kinézni:
Fájl → Nyomtatási kép
Műveletek visszavonása
Szerkesztés → Visszavonás
vagy: Ctrl-Z
Tálca
A tálca a képernyő alján futó vékony sáv. A programok
indítására szolgáló kis ikonokat tartalmazó eszköztárakat is
elhelyezhetünk rajta. Ehhez rajta kell kattintani a jobb
egérgombbal. Majd kiválasztom a tulajdonságok panelen a
gyorsindítás megjelenítését. (Ikonok törlése: jobb egérgomb -
Törlés)
Jobb egérgombbal történő kattintás után megjelenik:
Eszköztárak (Hivatkozások, Nyelvi eszköztár,
Gyorsindítás)
Asztal megjelenítése
Feladatkezelő (Alkalmazások, Folyamatok, Teljesítmény,
Felhasználók)
A Tálca zárolása
Tulajdonságok (Tálca: megjelenítése, Értesítési
terület) (Start menü: Start, Klasszikus Start menü (a régebbi
elrendezés))
Az értesítési terület mezőben ki- bekapcsolhatjuk az órát.
Testreszabás gombbal beállíthatjuk a felsoroltaknál:
Elrejtés, ha nem aktív, vagy Sosem látszik vagy Mindig
látszik változatokat.
Órára jobb gombbal kattintva beállíthatjuk az időt, és a
dátumot, Időzónát, és az Automatikus időszinkronizálót
(time.windows.com)
Ha valamire rákattintunk és látszólag nem történik semmi,
akkor nézzük meg mégegyszer, mert valószínűleg aktíváltuk (pl.
pipát tettünk elé), és a következő rákattintással állítjuk
csak vissza az eredeti állapotába.
Módosításokra általában a tálca zárolásának megszüntetésével
(rákattintok erre) van lehetőség.
A tálca alapértelmezése egyetlen sor.
Maximális nagysága a képernyő fele, minimális egy vékony
csík.
Méretének megváltoztatása úgy történik mint az ablakoké.
"Megfogom" a felső szélét (egy kétvégű nyíl jelenik meg, és
oda húzom ahová akarom.
Ha nem látom a tálcát akkor:
vagy olyan vékony, hogy nem látszik, vagy jobb egérgomb -
Tulajdonságok - tálca automatikus elrejtése.
Ha a tálca üres részére kattintok, akkor át tudom húzni a
képernyő bármelyik szélére.
Start menü (Tulajdonságok - Startmenü) a testreszabás
gombbal beállíthatom: az Általános fülnél az ikonjai néretet,
programok számát,...
a Speciális fülnél a megjelenítését és a kezelését.
Átrendezését az ikonok húzásával érhetjük el, (átrendezés és
bővítés is lehetséges így.)
Vezérlőpult
Betűtípusok
A Windows programok azokat a betűtípusokat tudják használni,
amik az alapértelmezésben telepítve vannak. Ezeket
megnézhetjük, ha klasszikus nézetre állítjuk a
Vezérlőpultot a kategória nézet helyett (bal felső sorban
egy kattintással válthatunk.). A betűtípusokba belépünk, és a
betűtípus ikonján kettőt kattintunk.
Ha a szöveg olyan betűtípussal készült, ami a mi gépünkön
nincs telepítve, akkor még ezt a betűtípust nem telepítjük,
addig a szöveg nem helyesen jelenik meg.
Telepítése:
Vezérlőpult → Betűtípus → Fájl → Új
betűkészlet telepítése → kiválasztjuk a könyvtárat, a
telepítendő betűtípusokat → OK
gomb (használhatóvá teszi az új betűtípust)
Betűtípusok törlése:
kijelölés, DEL
Fájl menü, törlés
Billentyűzet
Az ikonon duplán kattintva megjelenik a párbeszédpanel, ahol
módosíthatjuk a karakterismétlés sebességét és a
kurzorvillogásét is.
A hardver fülnél a billentyűzet jellemzőit nézhetjük meg.
Tulajdonságokra kattintva van pl. az eltávolítás lehetősége
is, külön figyelmeztetéssel, hogy csak haladóknak
ajánlott.
Egér
Itt három lehetőséget kínál fel:
Elsődleges és másodlagos gomb felcserélése
Dupla kattintás sebessége
Markoló bekapcsolása
Az első különösen hasznos a balkezeseknek, mert a szöveg előtt
lévő választókapcsolóval felcserélhetjük a gombok
szerepét.
Dupla kattintásnál a kattintáshoz szükséges időt
megváltoztathatjuk, ha a csúszkát elhúzzuk gyorsabb v. lassabb
irányba.
Mutatók fülön való kattintással az egérkurzor formáját
változtathatjuk meg. A megjelenő választékokból (Síma,
testreszabás) kattintással választhatunk.
Egérmutató beállításai: mutató mozgási sebessége, mozgása
nyomvonalának megjelenítése,... állitható be.
Kerék: A gördítőkerék egy rovatkájának gördítésére hány sort
mozduljon el.
Hardver: Tulajdonságokra kattintva megadja az egér és az
illesztőprogramok tulajdonságait.
Jegyzettömb
Ez a Windows legegyszerűbb szövegszerkesztő programja. Inkább
kisebb feljegyzések készítésére használják. (Ezen kívül a
honlapkészítők a HTML oldalakat is sokan ezzel készítik.)
A kurzort csak oda engedi mozgatni, ahol már szöveg van.
A kész szövegeket a Fájl menü Mentés vagy Mentés másként
menüpontjával tárolhatjuk el. Ezt megnézni pedig a megnyitásra
kattintva tudjuk.
Vágólap segítségével a szöveget áthelyezhetjük és másolhatjuk
is.
Ehhez először kijelöljük a szöveget (ráállok a
szövegkurzorral, és az egérgomb lenyomva tartása mellett
kijelölöm a kívánt részt, utánna felengedem a gombját).
Áthelyezéshez megnyitom a szerkesztés menüt s rákattintok a
kivágásra. A kurzort a kívánt helyre viszem, ott kattintok
megint megnyitom
s ott a beillesztésre kattintok.
Másolásnál ugyanezt csinálom, csak a kivágás helyett a
Másolásra kattintok.
A vágólapról nem törlődik a szöveg, azt többször is
beszúrhatjuk.
Sort törhetünk, vagy üres sort szúrhatunk be az Enter
megnyomásával.
A szöveget kinyomtatni a Fájl menü - Nyomtatás menüpontjára
kattintva tudjuk.
A szövegben levő szavakra keresni a Szerkesztés →
Keresés menüpontjában tudunk.
HTML ASCII
kódok: mat-fiz - görög abc -
cirill abc - betűk -
egyéb -
phonetic
A második oszlopban látható számok elé közvetlenül
jeleket, utánna pedig pontosvesszőt(;) kell írni, hogy
a honlapunkon az első oszlop karakterei legyenek láthatóak:
ä b c α β Δ б
д 1
+ = ∡ % ∑ ∛ @ & # ♂ ♀ Ⅶ Ⅺ
♣ ♡ ↯ ↺
∞ ⇔ ☼ ♘ ♔ ♫
mat-fiz kódok:
| Karakter | Kódszám | Elnevezés |
| 0 | 48 | nulla |
| ½ | 189 | fél |
| ⅓ | 8531 | |
| ⅔ | 8532 | |
| ¼ | 188 | negyed |
| ¾ | 190 | háromnegyed |
| ⅕ | 8533 | |
| ⅖ | 8534 | |
| ⅗ | 8535 | |
| ⅘ | 8536 | |
| ⅙ | 8537 | |
| ⅚ | 8538 | |
| ⅛ | 8539 | |
| ⅜ | 8540 | |
| ⅝ | 8541 | |
| ⅞ | 8542 | |
| ⅟ | 8543 | |
| 1 | 49 | egy |
| 2 | 50 | kettő |
| 3 | 51 | három |
| 4 | 52 | négy |
| 5 | 53 | öt |
| 6 | 54 | hat |
| 7 | 55 | hét |
| 8 | 56 | nyolc |
| 9 | 57 | kilenc |
| + | 43 | plusz |
| - | 45 | mínusz |
| | 150 | |
| | 151 | |
| | | 124 | elválasztójel |
| ∥ | 8741 | párhuzamos |
| ± | 177 | plusz-mínusz jel |
| × | 215 | szorzás jel |
| · | 183 | közép pont |
| | 149 | |
| º | 186 | |
| * | 42 | csillag |
| : | 58 | osztás jel |
| \ | 92 | fordított osztás jel |
| / | 47 | tört jel |
| ÷ | 247 | . |
| = | 61 | egyenlőség jel |
| ≠ | 8800 | nem egyenlő |
| ~ | 126 | körülbelül |
| , | 44 | tizedes vessző |
| . | 46 | tizedes pont |
% | 37 | százalék |
| | 137 | ezrelék |
| > | 62 | nagyobb |
| < | 60 | kisebb |
| @ | 64 | kukac |
| & | 38 | end |
| # | 35 | kettőskereszt |
| Ⅰ | 8544 | |
| Ⅱ | 8545 | |
| Ⅲ | 8546 | |
| Ⅳ | 8547 | |
| Ⅴ | 8548 | |
| Ⅵ | 8549 | |
| Ⅶ | 8550 | . |
| Ⅷ | 8551 | . |
| Ⅸ | 8552 | . |
| Ⅹ | 8553 | |
| Ⅺ | 8554 | |
| Ⅻ | 8555 | |
| Ⅼ | 8556 | |
| Ⅽ | 8557 | |
| Ⅾ | 8558 | |
| Ⅿ | 8559 | |
| √ | 8730 | |
| ∛ | 8731 | |
| ∜ | 8732 | |
| ∟ | 8735 | |
| ∠ | 8736 | |
| ∡ | 8737 | |
| ∢ | 8738 | |
| ∑ | 8721 | |
| ∞ | 8734 | |
| ∫ | 8747 | integrál |
| ∬ | 8748 | kettős integrál |
| ∭ | 8749 | hármas integrál |
| ∮ | 8750 | . |
| ∯ | 8751 | . |
| ∰ | 8752 | . |
| ∩ | 8745 | |
| ∪ | 8746 | |
| ∈ | 8712 | |
| ∉ | 8713 | |
| ∊ | 8714 | |
| ∋ | 8715 | |
| ∌ | 8716 | |
| ǁ | 449 | |
| ( | 40 | kerek zárójel |
| ) | 41 | kerek zárójel |
| [ | 91 | szögletes zárójel |
| ] | 93 | szögletes zárójel |
| { | 123 | kapcsos zárójel |
| } | 125 | kapcsos zárójel |
| Δ | 916 | |
| ∇ | 8711 | |
| ℃ | 8451 | degree celsius |
| Å | 8491 | ångstrom |
| ħ | 295 | h-vonás |
| å | 229 | |
| à | 224 | |
| § | 167 | |
| ã | 227 | |
| ě | 283 | |
| ¯ | 175 | |
| ñ | 241 | |
| → | 8594 | |
| ← | 8592 | |
| ↓ | 8595 | |
| ↑ | 8593 | |
| ↔ | 8596 | |
| ↗ | 8599 | |
| ↘ | 8600 | |
| ↖ | 8598 | |
egyéb kódok:
| ☉ | 9737 | sun, nap |
| ♎ | 9806 | libra, mérleg |
| ♄ | 9796 | saturn |
| $ | 36 | dollár |
| | 128 | euro |
| ¢ | 162 | dollárcent |
| £ | 163 | angol font |
| ¥ | 165 | japán jen |
| ♀ | 9792 | |
| ♂ | 9794 | |
| ☹ | 9785 | |
| ☺ | 9786 | |
| ☻ | 9787 | |
| ☼ | 9788 | |
| ☽ | 9789 | |
| ☾ | 9790 | |
| ♠ | 9824 | |
| ♡ | 9825 | |
| ♢ | 9826 | |
| ♣ | 9827 | |
| ♤ | 9828 | |
| ♥ | 9829 | |
| ♦ | 9830 | |
| ♧ | 9831 | |
| ♩ | 9833 | |
| ♪ | 9834 | |
| ♫ | 9835 | |
| ♬ | 9836 | |
| ♭ | 9837 | |
| ♮ | 9838 | |
| ♯ | 9839 | |
| ☚ | 9754 | |
| ☛ | 9755 | |
| ☜ | 9756 | |
| ☝ | 9757 | |
| ☞ | 9758 | |
| ☟ | 9759 | |
| ♔ | 9812 | |
| ♕ | 9813 | |
| ♖ | 9814 | |
| ♗ | 9815 | |
| ♘ | 9816 | |
| ♙ | 9817 | |
| ♚ | 9818 | |
| ♛ | 9819 | |
| ♜ | 9820 | |
| ♝ | 9821 | |
| ♞ | 9822 | |
| ♟ | 9823 | |
| ! | 33 | Felkiáltójel |
| ? | 63 | kérdőjel |
| ¿ | 191 | fordított kérdőjel |
| | 32 | üres betűhely |
| " | 34 | dupla idézőjel |
| | 130 | egyes idézőjel |
| ¡ | 161 | fordított idézőjel |
| ; | 59 | pontos vessző |
| | 135 | |
| ; | 59 | pontos vessző |
| : | 58 | kettőspont |
| ¨ | 168 | dupla ékezet |
| ∣ | 8739 | függőleges vonal |
| ¦ | 166 | függőleges vonal |
| _ | 95 | aláhúzásjel |
| ¯ | 175 | föléhúzás jel |
| © | 169 | szerzői jog |
| ® | 174 | védjegy |
| § | 167 | paragrafus |
| | 131 | funkció |
| | 127 | ismeretlen |
| µ | 181 | mikro |
| ° | 176 | fok |
| ¶ | 182 | sorvége jel |
| | | 124 | |
| ǁ | 449 | |
| ǀ | 448 | |
| ¸ | 184 | |
| ` | 96 | |
|
| 133 | |
| ¹ | 185 | |
| | 155 | |
| | 136 | |
| | 147 | |
| | 148 | |
| | 132 | |
| | 146 | |
| | 145 | |
| | 152 | |
| | 154 | |
| | 138 | |
| | 140 | |
| | 156 | |
| | 153 | |
| | 142 | |
| | 158 | |
| | 144 | |
| ª | 170 | |
| ¬ | 172 | |
| « | 171 | |
| | 156 | |
| ^ | 94 | |
| | 159 | |
| | 135 | |
| | 134 | |
|
| 10 | Soremelés |
| | 09 | Tabulátor |
| ✂ | 9986 | |
| ✄ | 9988 | |
| ✆ | 9990 | |
| | 132 | |
| ✇ | 9991 | |
| ✉ | 9993 | |
| ✌ | 9996 | |
| ✎ | 9998 | |
| ✏ | 9999 | |
| ✐ | 10000 | |
| ô | 244 | |
| ÷ | 247 | |
| ^ | 94 | |
| õ | 245 | |
| | 137 | |
| | 139 | |
| ă | 259 | |
| ʃ | 643 | |
| | | 124 | |
| × | 215 | |
| ~ | 126 | |
| | | 124 | |
| ÿ | 255 | |
| ï | 239 | |
| ë | 235 | |
| < | 60 | |
| > | 62 | |
| = | 61 | |
Görög abc:
| α | 945 | alfa |
| β | 946 | béta |
| γ | 947 | gamma |
| δ | 948 | delta |
| ε | 949 | epszilon |
| ζ | 950 | zéta |
| η | 951 | éta |
| θ | 952 | théta |
| ι | 953 | ióta |
| κ | 954 | kappa |
| λ | 955 | lambda |
| μ | 956 | mű |
| ν | 957 | nű |
| ξ | 958 | kszi |
| ο | 959 | omikrón |
| π | 960 | pí |
| ς | 962 | rhó |
| σ | 963 | szigma |
| τ | 964 | tau |
| υ | 965 | üpszilon |
| φ | 966 | fí |
| χ | 967 | chí |
| ψ | 968 | pszí |
| ω | 969 | ómega |
| Α | 913 | alfa |
| Β | 914 | béta |
| Γ | 915 | gamma |
| Δ | 916 | delta |
| Ε | 917 | epszilon |
| Ζ | 918 | zéta |
| Η | 919 | éta |
| Θ | 920 | théta |
| Ι | 921 | ióta |
| Κ | 922 | kappa |
| Λ | 923 | lambda |
| Μ | 924 | mű |
| Ν | 925 | nű |
| Ξ | 926 | kszi |
| Ο | 927 | omikron |
| Π | 928 | pí |
| Ρ | 929 | rhó |
| Σ | 931 | szigma |
| Τ | 932 | tau |
| Υ | 933 | üpszilon |
| Φ | 934 | fí |
| Χ | 935 | chí |
| Ψ | 936 | pszí |
| Ω | 937 | ómega |
Cirill abc:
| а | 1072 | á |
| б | 1073 | b |
| в | 1074 | v |
| г | 1075 | g |
| д | 1076 | d |
| е | 1077 | je |
| ж | 1078 | zs |
| з | 1079 | z |
| и | 1080 | i |
| й | 1081 | j |
| к | 1082 | k |
| л | 1083 | l |
| м | 1084 | m |
| н | 1085 | n |
| о | 1086 | o |
| п | 1087 | p |
| р | 1088 | r |
| с | 1089 | sz |
| т | 1090 | t |
| у | 1091 | u |
| ф | 1092 | f |
| х | 1093 | h |
| ц | 1094 | c |
| ч | 1095 | cs |
| ш | 1096 | s |
| щ | 1097 | scs |
| ъ | 1098 | keményjel |
| ы | 1099 | kemény i |
| ь | 1100 | lágyjel |
| э | 1101 | e |
| ю | 1102 | ju |
| я | 1103 | já |
| А | 1040 | Á |
| Б | 1041 | B |
| В | 1042 | V |
| Г | 1043 | G |
| Д | 1044 | D |
| Е | 1045 | JE |
| Ё | 1025 | JÓ |
| Ж | 1046 | ZS |
| З | 1047 | Z |
| И | 1048 | I |
| Й | 1049 | J |
| К | 1050 | K |
| Л | 1051 | L |
| М | 1052 | M |
| Н | 1053 | N |
| О | 1054 | O |
| П | 1055 | P |
| Р | 1056 | R |
| С | 1057 | SZ |
| Т | 1058 | T |
| У | 1059 | U |
| Ф | 1060 | F |
| Х | 1061 | H |
| Ц | 1062 | C |
| Ч | 1063 | CS |
| Ш | 1064 | S |
| Щ | 1065 | SCS |
| Ъ | 1066 | KEMÉNYJEL |
| Ы | 1067 | KEMÉNY I |
| Ь | 1068 | LÁGYJEL |
| Э | 1069 | E |
| Ю | 1070 | JU |
| Я | 1071 | JÁ |
Betűk:
| Karakter | Kódszám | Elnevezés |
a | 97 | kis a betü |
| â | 226 | |
| ä | 228 | umlaut a |
| å | 229 | |
| æ | 230 | |
| á | 225 | kis á betű |
| b | 98 | kis b betű |
| c | 99 | kis c betű |
| d | 100 | kis d betű |
| e | 101 | kis e betű |
| ë | 235 | umlaut e |
| é | 233 | kis é betű |
| f | 102 | kis f betű |
| g | 103 | kis g betű |
| h | 104 | kis h betű |
| i | 105 | kis i betű |
| ï | 237 | umlaut i |
| í | 237 | hosszú kis í betű |
| j | 106 | kis j betű |
| k | 107 | kis k betű |
| l | 108 | kis l betű |
| m | 109 | kis m betű |
| n | 110 | kis n betű |
| o | 111 | kis o betű |
| ó | 243 | kis ó betű |
| ö | 246 | kis ö betű |
| õ | 245 | . |
| ô | 244 | . |
| p | 112 | kis p betű |
| q | 113 | kis q betű |
| r | 114 | kis r betű |
| s | 115 | kis s betű |
| t | 116 | kis t betű |
| u | 117 | kis u betű |
| ú | 250 | hosszú kis ú betű |
| ü | 252 | kis ü betű |
| û | 251 | hosszú kis ű betű |
| v | 118 | kis v betű |
| w | 119 | kis w betű |
| x | 120 | kis x betű |
| y | 121 | kis y betű |
| z | 122 | kis z betű |
| A | 65 | nagy A betű |
| Â | 194 | |
| Ä | 196 | umlaut A |
| Å | 197 | |
| Æ | 198 | |
| Á | 193 | nagy Á betű |
| B | 66 | nagy B betű |
| C | 67 | nagy C betű |
| D | 68 | nagy D betű |
| E | 69 | nagy E betű |
| Ë | 203 | umlaut E |
| É | 201 | nagy É betű |
| F | 70 | nagy F betű |
| G | 71 | nagy G betű |
| H | 72 | nagy H betű |
| I | 73 | nagy I betű |
| Ï | 207 | umlaut I |
| Í | 205 | hosszú nagy Í betű |
| J | 74 | nagy J betű |
| K | 75 | nagy K betű |
| L | 76 | nagy L betű |
| M | 77 | nagy M betű |
| N | 78 | nagy N betű |
| O | 79 | nagy O betű |
| Ó | 211 | hosszú nagy Ó betű |
| Ö | 214 | nagy Ö betű |
| Õ | 213 | hosszú nagy Ő betű |
| P | 80 | nagy P betű |
| Q | 81 | nagy Q betű |
| R | 82 | nagy R betű |
| S | 83 | nagy S betű |
| T | 84 | nagy T betű |
| U | 85 | nagy U betű |
| Ú | 218 | nagy Ú betű |
| Ü | 220 | nagy Ü betü |
| Û | 219 | hosszú nagy Ű betű |
| V | 86 | nagy V betű |
| W | 87 | nagy W betű |
| X | 88 | nagy X betű |
| Y | 89 | nagy Y betű |
| Z | 90 | nagy Z betű |
Phonetic:
| Karakter | Kódszám | Elnevezés |
| ɪ | 618 | |
| ɔ | 596 | open-mid back rounded |
| ʌ | 652 | |
| θ | 952 | vl dental fricative |
| æ | 230 | raised open front unrounded |
| ə | 601 | schwa |
| : | 58 | |
| [ | 91 | |
| ] | 93 | |
| , | 44 | |
| | 146 | |
| | 145 | |
| ð | 240 | vd dental fricative |
| ʒ | 658 | vd postalveolar fricative |
| ʤ | 676 | vd postalveolar affricate |
| ŋ | 331 | |
| ^ | 94 | hatvány |
| β | 946 | vd bilabial fricative |
| ɒ | 594 | open back rounded |
| ɑ | 593 | open back unrounded |
| ʊ | 650 | lax close back rounded |
| ʃ | 643 | vl postalveolar fricative |
| ʧ | 679 | affricate |
| ✈ | 9992 | repülő |
| · | 183 | szorzás |
| ≈ | 8776 | közelítőleg egyenlő |
| ≦ | 8806 | kisebb egyenlő |
| ≧ | 8807 | nagyobb egyenlő |
| Ā | 256 | |
| Ē | 274 | |
| ϵ | 1013 | |
| |   | üres |
Hacker Kislexikon
a -
b - c - cs -
d -
e - f - g -
gy -
h - i - j -
k -
l - m - n -
ny -
o - ö -
p - q -
r -
s - sz - t -
u - ü - v -
w - z -
1
Absolute
= absolut v független
Account right
= fiók jog (ki hogyan léphet be, ...)
Action
= művelet
Active link (Alink)
= aktív link
adat - információ
(informatika, azaz az információval kapcsolatos alapfogalmak:)
két értelmezése van:
- adatnak részhalmaza az információ:
a környezetből a befogadó személyre ható ingerek az adatok, ezek akkor válnak
információvá, ha számunkra valamilyen jelentéssel bírnak
- információnak részhalmaza az adat:
a környezet számunkra fontos jelentéssel bíró ingerei az információk, adat pedig az
információ rögzített (v rögzítésre alkalmas) formája
- de közös mindkét megközelítésben, hogy az információ valamilyen jelentéssel bír
és értékes számunkra
Adatbázis
Az adatoknak a logikailag felépített, strukturált halmaza, amelyből információt szeretnénk kinyerni.
Adatbázis struktúrája
Az adatbázisok szerkezetének a kialakítása a legfontosabb feladat, mivel az információtárolás, és
visszakeresés mikéntjét, és hatékonyságát főleg ez határozza meg.
Adatbáziskezelő rendszer
Az adatbáziskezelő rendszerek olyan programok, amelyekkel az adatbázisokat kezeljük, műveleteket
(adat lekérdezés, adat törlés, adat módosítás, adatbázis karbantartás) hajtunk végre rajtuk.
Adatbit
Aszinkron adatátvitel esetén pl: (modemek) minden bit egy vezetéken halad át. Ekkor a biteket két
csoportra osztjuk:
Az adatbitek a tényleges adatot tartalmazók, a stopbitek pedig megmutatják, hogy hol végződik az
adatbitek egyik csoportja. (adatbitek száma szöveges állományoknál 7, programok átvitelekor 8)
Adatfolyam (adatáramlás)
= Data flow
Adatsebesség
Az információáramlás sebessége, mértékegysége a bps (bit per second). Az adatátviteli
berendezések adatátviteli sebességét kbps (ezer bit per másodperc), Mbps, Gbps (milliárd bit per másodperc)
Adatstruktúra
Egy programon belül az adatokat változókban tároljuk
Egyszerű adattípusok:
- egész változók
- lebegőpontos változók
Összetett adattípus:
- tömb (sok ugyanolyan típusú adat, elérésük: index alapján)
- struktúra (különféle típusú változót tartalmaz, elérésük: minden tagváltozó egyedi mezőnévvel rendelkezik)
addons.mozilla.org/en-US/firefox/addon/translatewebpageatgoogle/
A Firefox teljes weboldal lefordító kiegészítője
Adress (cím)
három félét használunk:
- IP: az Internethez kapcsolódó gépeknek van egyedi IP címe.
- e-mail: az Internet felhasználóinak van egyedi levelezési (email) címe.
- MAC (Media Access Control)(hardver) fizikai cím
Adress mask
Cím maszk: ez egy bitmaszk, amit az IP cím hálózati és alhálózati részének meghatározására használnak.
Adress resolution
Cím felderítés: Internetes cím hozzárendelése a megfelelő hardvercímhez.
Advanced search
= irányított keresés
Adware (kéretlen reklámprogram)
Sok adware alkalmazás hajt végre nyomkövető funkciókat, hogy kilessék a vásárlási, szórakozási
szokásainkat. E mellett még zavaró hatásúak is lehetnek. Sok időt vesz el tőlünk az eltávolításuk
is. Van hasznos fajtájuk is, amelyek segítenek a keresésben.
Alapvető bemeneti kimeneti rendszer
= BIOS
= Basic Input Output System
Alpha Go
Ember- gép összecsapáson 4:1 lett a mesterséges intelligencia
programja javára, így fölényesen nyert,ami óriási áttörést
jelent.
(hvg.hu, 2016.03.15)
Alphabet
Google 2015-ben Alphabet (=ábécé) nevű holdinggá szervezte át magát: a keresőmotort,
a hirdetési tevékenységét, a You Tube megosztót, az Android és Chrome operációs rendszerét.
Alias
Olyan álnév, amelyet könnyű megjegyezni, s amelyet egy hosszú és nehéz, nehezen megjegyezhető
név helyett használunk.
Alignment
= igazítás
Alkalmazás szerver
ez egy kiszolgáló - program, amelyik nagy erőforrás - igényes alkalmazásokat oszt meg a kliensek között.
Állományátvitel
Az interworking (a hálózatok összekapcsolása) lehetővé tette a számítógépek közötti állomány
átviteli szolgáltatást.
Állományátviteli protokoll
Ez egy szabvány (olyan protokoll), amely két számítógép között az adatok átvitelét vezérli.
Anonymus
A név nélküli ftp állományátvitelt igénybe vevő felhasználó ezzel az azonosítóval jelentkezhet
be a kívánt állományokat tartalmazó kiszolgálóra.
anymaking.com
Ingyenes, könnyen kezelhető online képszerkesztő.
Applet
Ez a honlapunkba (HTML oldalba) beágyazott Java nyelvű programot jelent.
Apply
= alkalmaz
Archie
Ez egy adatbázis, amely az anoním FTP-vel hozzáférhető állományokról informál.
Arpanet
Advanced Research Project Agency (Amerikai Védelmi Minisztérium kutatóintézete) által a
hatvanas években kifejlesztett számítógép-hálózatából fejlődött ki az Internet.
Arrange
= elrendez
Article
= blog-bejegyzés
= újságcikk
ASC II
= a karakterknek van kódjuk (abc sorrendben)
= így összehasonlíthatunk két karaktert, vagy ellenőrizhetjük,
hogy szám-e (nulla kódja 48, az 53 az ötösé)
pl: if c >= 48 && c <= 57
cout << "ez szám" << endl;
Aszinkron átvitel
A két kommunikáló nem használ külön időzítő jelet. Ezért az adathalmazok között jelezni kell, hogy
hol kezdődnek az adatok (stopbitekkel): minden karakter (=8 bit) elé és mögé egy-egy bitet tesznek,
így egy karakter átviteléhez 10 bit kell, 8 bit helyett.
ATS
= Applicant Tracking System = jelentkezői nyomkövető rendszer (az önéletrajzok
szűrését végzi)
Attach
= kapcsol
Authentication
= hitelesítés
Authorization
= engedélyezés
auto
= az alapértelmezett érték
Auto-detection
= önellenőrzés (+)
Automatizálás
Az emberek helyett gépek, robotok, szoftverek végzik majd el a munkának a zömét már a következő 20-30 évben is.
Ez a munkahelyek felét érintheti, így legalább milliárdnyi munkahely válik feleslegessé, főleg
irodai, adminisztrációs, termelési állások terén.
Ez valóság már most is, pl: autógyártósoroknál, a Honvédkórházban robotok osztják szét az ételt, ...
De még tovább gyűrűző következmények is lesznek, pl:
- ha interneten fogjuk rendelni az önjáró autókat, akkor a jobb gépkocsi kihasználtság miatt kevesebb
autóra lesz szükség, ezért kevesebb autóipari munkás is fog kelleni, a már most is a gyártósori robotok
miatt kiszorított munkásokon is túl (, ez természetesen a sofőrök iránti keresletet is csökkenti).
- sőt a bonyolultnak tűnő könyvelői feladatokat is egyre jobban átveszik a programok, még
a nagy lexikai tudást igénylő orvosi munkát is egyre jobban helyettesítik gépekkel.
(2014 közepe)
A mesterséges intelligencia és a robotok alkalmazása 5,1 millió munkahelyet
szüntet meg a következő öt évben a davosi világgazdasági találkozón bemutatott
tanulmány szerint (HVG, 2016.01.23)
Azonosító
Általában a bejelentkezési nevet + a jelszót jelenti. A szolgáltatótól kapott karaktersorozatok összessége, amely egy adott szolgáltatás igénybevételének jogát biztosítja.
Backdoor
= hátsó kapu (hátsó ajtó)
(az operációs rendszer szintjén képes észrevétlenül hozzáférést biztosítani a számítógépünkhöz
Background color(Bgcolor)
= háttérszín
Bad USB
A bad USB hiba kihasználásával az USB-s eszközökön (pl. pendrive, egér) futó vezérlőprogram (firmware)
könnyen lecserélhető rosszindulatú kódot tartalmazó szofwerre, s utánna távolról irányíthatják a
gépünket. Ha csak a számítógépre másolás pillanatában fertőzik meg a pendrive-on tárolt fájlokat,
akkor a háttértárat szkennelő vírusellenőrző nem is bukkanhat rájuk, és így gyakorlatilag nem is lehet
kimutatni a vírust. (ezért az egész USB-szabványt meg kellene változtatni)
(hvg.hu, 2014.10.06)
Bafruz
Többfunkciós trójai program. Egyszerűen eltávolítja a vírusirtót (hamis riasztás után,
csökkentett üzemmódban indítja újra a gépet, s eközben települ fel).
Band
= sáv
Basic Input Output System
= BIOS
= alapvető bemeneti kimeneti rendszer
Basutra
A Basutra trójai megbénítja a Windows-t
- felülírja az MBR-t (Master Boot Record), így a számítógép újraindításakor már nem lehet betölteni
- minden írható adattárolóból fájlokat tud törölni.
Batch file
= parancsfájl
Baxter
Baxternek hívnak, 22 ezer dollárba kerülök, és elveszem a munkádat:
a robotok ára meredeken zuhan, közben felhasználási területük egyre szélesebbé válik. Ma már készen
van az általános célú robot prototípusa: a gép képes figyelni és utánozni, s így megtanulni egyszerű
munkafolyamatokat, 22 ezer dollárért.
A Baxter még nem elég ügyes, de néhány éven belül kész lesz az alacsony képzettségű gyári dolgozókat
helyettesítő általános célú robot.
(privátbankár.hu, 2014 november)
BD
Blu-ray Disc lemezen 25 gigabájt adat fér el (szemben a DVD 4,5 gigabájtjával) A lényegesen
nagyobb kapacitás miatt a filmek is jóval nagyobb felbontásúak (1080 p). (A félvezető lézer
405 nanométeres kék fényt bocsát ki.)
Beállítások
= Settings (+)
BGP
Border Gateway Protokol az internet működése szempontjából nélkülözhetetlen, mert a BGP biztosítja, hogy
egy-egy adatcsomag a megfelelő cél felé a megfelelő útvonalon haladjon a neten.
Big Brother
A kormányok választottak helyettünk:
megfigyelés, ellenőrzés, biztonság a szabad élet helyett. Tehát figyelnek minket:
- beszélgetéseket rögzítik
- böngészésünket is: milyen weboldalakat, milyen sorredben, ...
- kamerák fényképeznek: térfigyelők, bevásárlóközpotban, bankokban, ...
- készpénzkiadó automata használatakor: hol vagyunk, mikor
- bankkártyánál is: hol, mikor, ...
- rádiószkennerrel a rendőrség lehallgathatja a mobilunkat is
- okostelefon folyamatosan figyeli a helyet, és az időt
A tűzfal szoftverrel kivédhetjük az adware-eket, a spyware-eket, és az email címünket sem tudják kiolvasni. Webes anonymizert használva nem tudnak azonosítani. Természetesen a rendőrségnek, titkosszolgálatoknak, hackereknek nem gond megkerülni a védelmünket.
A Nagy Testvér mindent lát.
Billentyűnaplózás
= Keylogging
Billentyűnaplózás
= Keystroke logging
Billentyűzet
keyboard: billentyűzet(vagy klaviatúra) a számítógépek szabványosított bemeneti perifériája. A
billentyűzetet adatbevitelre használjuk.
Három fő része van, a középső alfanumerikus résznek az írógéppel megegyező az elrendezése.
(hiszen a betűk elrendezését az határozza meg az írógépeken, hogy egy betűt milyen gyakorisággal
használunk, és ez a számítógép elterjedésével sem változott meg). A "vakon" gépelők számára az
F és a J billentyűn egy kis kidudorodás van (és a numerikus részen az 5-ös gombon), hogy a kezüket
biztosan jól helyezzék el a kiindulási soron.
Ezen a részen van néhány fontos billentyű is:
Enter: ennek leütésével juttatjuk a beírt parancsainkat a gépbe.
Shift:(vagy felfelé mutató nyíl): kisbetű-nagybetű között vált, de csak a
lenyomva tartása alatti ideig.
Caps Lock: lenyomásával kisbetűsről nagybetűs (vagy nagybetűről kisbetűs) üzemmódra válthatunk.
Ctrl: Control billentyű: segítségével tudunk a gép számára vezérlőkódokat kiadni (segédbillentyű)
Del: Delete(törlés): a kurzortól jobbra lévő karakter törlése
Back Space (vagy balra mutató nyíl): a kurzortól balra lévő karakter törlése
Tab (tabulátor): segítségével átugorhatunk a következő sorra(vagy feladatra)
Alt: más billentyűkkel együtt lenyomva jelentésmódosító, jelentéskiterjesztő hatása van.
Például gépeléskor (jobb) alsó jelet fogom kapni. Folyamatosan lenyomva tartva, és a numerikus
billentyűzeten 0-255 közötti számot beírva, majd az alt gombot felengedve olyan jelet kapunk ami
nincs is a billentyűzeten. (Ilyenkor ezt a számot (0-255) ASCII karakterként értelmezi a gépünk)
Funkcióbillentyűk: a felső sorban található 12 billentyű, rajtuk F betű és szám található.
Esc: Escape: menekülés, a bal felső sarokban található. Segítségével pl. játékból kiléphetünk,
ha probléma van "elmenekülhetünk", azaz megnyomásával a menüből kilépünk.
Numerikus billentyűzet: a billentyűzet jobb oldalán található. Itt az összes számjegy szerepel,
de számok írásához be kell kapcsolni a Num Lock billentyű megnyomásával. (nem numerikus üzemmódban
más jelentésük van, általában kurzorvezérlő funkciók)
A számok mellett ezen a részen találhatjuk még a:
- kurzormozgató gombokat (nyilakat)
- matematikai alapműveletek jeleit
Home: sor(menü, lista) elejére helyezi a kurzort
End: sor(menü, lista) végére helyezi a kurzort
PgUp: oldalanként felfelé lehet vele haladni (lapozni)
PgDn: lefelé lehet vele lapozni
Ins: Insert: beszúrás. Használatával a beszúrás, vagy felülírás (overwrite) üzemmódot
lehet választani.
Print Scrn: a képernyőt "lefényképezi", azaz a tartalmát a vágólapra (vagy nyomtatóra)
küldi. (Mindig az utolsó megnyomásakori tartalom marad a vágólapon)
BIOS
= Basic Input Output System
= alapvető bemeneti kimeneti rendszer
Blanks
= üres (cellák)
blockedinchina.net
Megmutatja, hogy Kínából elérhető-e a weboldalam.
Body
= weblap törzse
Border
= szegély
Bot
A bot (robot szó rövidített alakja) egy a feladatokat automatikusan végrehajtó program: Kezdetben hasznos segítő volt. UNIX
rendszergazdák alkalmazták a rendszeresen elvégzendő sablonos feladatokra. Ma automatikusan is csevegnek
velünk, utánozva egy igazi embert.
Egy távoli támadó segítségével átveheti a gépünk irányítását, és róla számítógépek ezreit irányíthatja.
Gépünket így felhasználhatják:
- spam küldésére
- tiltott anyagok tárolására
- banki, lakcím adataink megszerzésére
Az ilyen fertőzött gépeket hívjuk zombi gépeknek.
Botnet hálózatok
Botokkal fertőzött gépek csoportja, melyet távolról irányítanak.
Bottom
= alul
boxcryptor.com
2 Gbájtig ingyenesen titkosíthatjuk vele a felhőben tárolt adatainkat (a gépünkön rendesen olvasható
állomány van, csak a felhőbe kerül a titkosított "változat".
Browse
= böngészik, internetezik
Bug
= számítógépes programhiba (+)
Cache memory
= gyorsítótár
Canvas fingerprint
A netezők követésére használt ujjlenyomat technikák közé tartozik, a sütik (cookies)
alternatívája. Hozzájuk hasonlóan figyeli a netezők szokásait, de ezt a fajta követést nem lehet
megakadályozni böngésző-beállításokkal.
Működése: olyan láthatatlan karaktersor van az oldalba betéve, amit a böngésző úgy rajzol ki,
hogy a felhasználó nem látja. A kirajzolás függ a számítógépre telepített fontoktól, a
gép órajelétől, a szoftverétől, ... , s így lehet azonosítani minden számítógépet. Azonban nagyon
sok hasonló konfigurációjú gép van, és az Adblock Plus (Easy Privacy szűrőlistával) meg tudja
akadályozni ezeknek az adatoknak az elküldését.
(hvg.hu, 2014.07.26)
CAPTCHA
A robot programok, szoftveres kiszűrésére találták ki: az adat beküldése előtt nehezen olvasható
karaktereket kell elolvasnunk, és beírnunk.
Central Processing Unit
= CPU
= központi végrehajtó egység
CD
= Compact Disk
Cell
= cella
Ch
= character
Change to
= javítás
Char
= karakter v kis egész ..
(string = szöveg, karakterlánc)
Character Map
= karaktertábla
Chart
= diagram
chattp.com
Ingyen saját csevegőcsatornát tehetünk a weboldalunkba.
Check Box
= jelölő négyzet
Checked
= bejelölt
Ciklus
= Az utasítássorozat (amely lehet egyelemű is) egymásután többszöri végrehajtása
(az ismétlést feltételhez kötjük)
Class selector
= osztály kijelölők
Clear
= törlés
= mezőkiürítés
clickjacking
Klikkeltérítéses támadás (Facebook): rejtett "Like" gombot tartalmaznak, pl: video lejátszása helyett
aktiviálódik a mögötte lévő gomb. (Legyünk óvatosak a szenzációs oldalakkal)
Clipboard
= (Windows) vágólapja
Code
= kód, kódol (+)
code.google.com/p/sagethumbs
a Windows Intézőjét feljavíthatjuk vele. 162 képformátumot tud kezelni, és mindet át tudja konvertálni
BMP, GIF, JPG állománnyá.
Coll
= inch
= (magyarul) hüvelyk = 2,53 cm
= pl: 11" = 11 x 2,53 cm
colorhexa.com
Online színkonvertáló webfejlesztőknek, HTML, CSS kódsorok, ...
Column
= oszlop
Command
= parancsok
Command Prompt
= parancssor
Compiler
= fordítóprogram (+)
Console
= konzol (+)
Console application
= egyszerű szöveges alkalmazások
- közvetlenül parancssorban, grafikus felület nélkül is futtatható alkalmazás ..
Console command language
= parancsértelmező nyelv
Container
= befoglaló terület
Content
= konkrét tartalom
Control
= vezérlés
cPanel hibanapló
Az "Error Messages" a hibanapló megmutatja a weboldalon felmerült legutóbbi 300 hibát: pl. hiányzó fájlok, törött
linkek, ... Ezek segítenek a weboldal fejlesztésében, és hibamentes működtetésében:
- hiba ideje: év, hónap, nap, idő
- kliens IP: a hibát észlelő weboldal látogató IP címe.
- hiba leírása: pl. file does not exist- a keresett fájl nem létezik.
- hiba helye: a hiányzó vagy hibás fájl helyének megmutatása.
A leggyakoribb hiba a keresett fájl hiánya, ekkor a böngésző a hiba oldalt keresi, a 404.SHTML fájlt. Ha ilyen nincs,
akkor a hiba naplóban hibaként jelzi (de ez nem akadályozza a weboldal hibátlan működését).
Másik gyakori hiba jelzés a ROBOTS.TXT fájl hiánya. (pl. a Google keresőrobot keresheti, ...) (De
ennek hiányában is hibátlanul működhet a weboldalunk).
CPU
= Central Processing Unit
= központi végrehajtó egység
Created
= létrehozás
Cross-platform
= platformfüggetlen (+)
Current Date
= mai dátum
Custom Lists
= egyéni listák
Customize
= testreszabás
Csomagelemzés
= Packet analyzis
DACL
= Discretionary Access Control List (hozzáférés szabályozása)
Data (adat):
Két értelmezése van a számítástechnikában:
- minden ami nem program (adat az, amit a számítógépek feldolgoznak)
- amivel a számítógépek a kommunikációjuk során foglalkoznak (két fajtája van: a bemenő, és a kimenő adat)
Data flow
= adatfolyam (adatáramlás)
dataconceal.com
Fájlainkat titkosítja, zip fájlban tölthető le.
Dec
= Decimal
Debug
= nyomkövetés (+)
Debugger
= nyomkövető program, hibakereső (+)
Default
= alapérték
Descendant selector
= származtatott kijelölők
Device Manager
= eszköz kezelő
DoS, DDoS
Túlterheléses támadás indítói (denial of service) azért használnak zombigépeket, hogy anonimek maradhassanak.
Mivel a spamszűrő programok hamar letiltják az azonos gépről érkező leveleket, ezért használnak egyszerre
több zombigépet a szerverek támadásához (distributed denial of service)
dictation.io
Online diktáló szolgáltatás, alul kiválasztjuk a nyelvet, Start
dictation: és írja, amit diktálunk.
Dimensions
= méretek
dir
direction = irány
Discretionary
= belátás szerinti (engedélyezés fajta)
Display
= megjelenítés
div
division = szakasz (általános tárolóelem)
<div>
= címke, általános tároló elem (benne a tartalom)
DKIM
= Domain Keys Identified Mail, segítségével hitelesítheti az emaileket a küldője.
DNS
= Domain Name System
= Domén Név Rendszer
dot per inch
= dpi
= a kép felbontásának hívjuk az 1 hüvelykre eső képpontok számát, ennek mértékegysége a dpi
dpi
= dot per inch
= a kép felbontásának hívjuk az 1 hüvelykre eső képpontok számát, ennek mértékegysége a dpi
Drag and drop
= fogd és vidd, húzd és ejtsd
Drop-Down Item
= legördülő egység
"Egyéb" vírusok
- Észrevehetetlen vírussal ijesztgetések.
- Internetes csalások. Itt a jóindulatunkat próbálják meg kihasználni, állítólagos
jótékonysági gyűjtésekkel. (Jótékonysági intézmények csak akkor küldenek nekünk levelet, ha
előtte mi jelentkeztünk áluk).
- Vagy nagy összeghez jutunk, ha előre befizetünk egy
kisebb öszeget- ajánlatokkal próbálnak beugratni bennünket.
De általában is, ha valami túl kedvezőnek tűnik, akkor legyünk óvatosak!
Elon Musk a robotokról
"Úgy törölhetik el az emberiséget a robotok, mint valami ócska spamet."
A mesterséges intelligencia veszélyére figyelmeztetett Elon Musk (a PayPal, és a Tesla alapítója).
Szerinte különösen az önmagukat fejlesztő gépek lehetnek veszélyesek az emberiségre: pl. egy tiszta
logika mentén gondolkodó robot, ha utasítást kap a spam e-mailek minnél hatásosabb eltakarítására,
akkor arra az eredményre juthat, hogy a világ összes spamjétől úgy lehet a leghatékonyabban megszabadulni,
ha megszabadul az emberektől (ez egy teljesen logikus lépés lehet, ha nem lesznek emberek,
nem lesznek spamek sem) ...
(hvg.hu, 2014 október)
Emberek félrevezetése
= Social engineering
end-to-end
= végpontok közötti titkosítás
endl
= end line
= vége a sornak
- ha ez után a fv után írunk, akkor az már a következő sorba fog kerülni ..
Endorsement
= jóváhagyás
Equal to
= egyenlő legyen
Esc (ape)
= menekülés
Esc (ort)
= menekülés
Escape szekvencia
- escape szekvenciában a fordított osztásjel után speciális karakterek, számok vannak
- escape karakterekkel tehetünk formázott kiírásokat ..
eusing.com/Window_Washer/Window_Washer.htm
Amikor netezünk, akkor nyomokat hagyunk a világhálón. A Free Window Washer minden árulkodó
fájltól megtisztítja a gépünk.
Event Vieiver
= eseménynapló
factory-reset.com/wiki/Main-page
Ha valamit véletlenül elállítunk (telefon, táblagép, ...), akkor a gyári állapot visszaállításának
a módját itt megtalálhatjuk (mivel a "factory resetet" nem adják meg a cégek)
Feladatkezelő
Arra szoktuk használni, hogy "kilőjjük" vele a zűrös programokat. Elérhetjük - tálcán a jobb egérgombbal kattintva - Ctrl + Alt + Del
De vannak olyan rejtett szolgáltatásai is, amelyek a számítógépünk folyamatairól szolgáltatnak információkat:
Nézet menü → Oszlopok kiválasztása → pipa CPU elé: egy-egy programunk teljesítményét úgy fokozhatjuk,
hogy a prioritási szintjét magasabbra állítjuk (jobb egérgombbal a kiválasztott folyamatra kattintunk)
File Manager
= fájlkezelő
File Save
= fájl mentés
Fill
= kitöltve
"Filterbuborék"
Azt a jelenséget nevezték el így, amikor a keresőprogramok nem matematikai alapon adják az
eredményeket, hanem figyelik az előző kereséseinket, és amit azok alapján jónak látnak, azt
teszik ki nekünk, mint keresési eredményt.
Kivédeni úgy tudjuk, hogy a keresések előtt töröljük (a weboldalakról) a számítógépünkre települő
sütiket, és a keresési előzményeket,(Eszközök → Előzmények törlése → Törlés most) és ne
engedjük a "toolbarok" gépünkre települését.
Finfisher
Állami szervek számára készült, megfigyelésre alkalmas kémprogram volt, de elszabadult.
Firefox - FinSpy
A FinSpy (v. FinFisher) kémkedő kormányzati programok nyomait - Firefox böngészőnek
álcázva - a Citizen Lab kutatói Magyarországon is megtalálták, ami ellen a Mozilla
tiltakozott is a blogjában (2013.05)
Five Eyes
A Five Eyes az amerikai NSA által vezetett brit, kanadai, ausztrál, új-zélandi titkosszolgálatok, az
általuk alkalmazott eszköz, a "Hacienda" a kiberbűnözők módszereivel a sérülékeny behatolási pontokat
keresi az interneten, és eltakarít maga után minden nyomot.
(hvg.hu, 2014.08.16)
Fixed
= rögzített
Fixed
= tizedes tört alak
Fixed Decimal
= tizedesjegyek
Flame
A világ eddigi legösszetettebb vírusának mondják (20 Mbájtos), a Stuxnetnél (500 Kbájtos) 20x
bonyolultabbnak. Meg tudja változtatni a beállított gépi paramétereket is, bekapcsolja a gépünk
mikrofonját, és felveszi a beszélgetéseket. Az ellopott adatoknak létrehoz egy adatbázist, és ott
tárolja őket (2012.05)
Float
= úsztatás
Folders Properties
= mappabeállítások
foldersize.sourceforge.net
Mappaméreteket mutatja meg.
Footer
= lábléc
for
= számlálós ciklus
Fordítás
A program fordításakor a hivatkozott fájlok teljes tartalma átmásolódik a programkódunkba
Fordítóprogram
= Compiler (+)
Fordított osztásjel
= backslash
Forms
= párbeszéd elemek
Formula Bar
= szerkesztőléc
Formulas
= képletek
freesafeip.com
Anonim biztonságos netezést tesz lehetővé.
FTP
= File Transfer Protokoll
= állományátvitel
Függvény
- olyan programrész, amely megold egy feladatot, elvégez egy műveletet
- minden fvnek a végén ; kell
Gauss szupervírus
Összetett kártevő, weboldalakon megadott banki jelszavakat, ... lop. Még nem sikerült megfejteni a
titkosítását (2012. szeptermber).
General
= alapértelmezésben
GIF
= Graphics Interchange Format
General
= általános
Gépnapló
= Log (+)
Goal Seek
= célérték keresése
Google adatgyűjtésének a leállítása:
böngészőbe beírjuk: https://www.google.com/history → remove web history (internetes előzmények törlése)
gomb → megerősítés. (Ez le is állítja az adatgyűjtő funkciót).
www.google.com/nikcollection
Google képszerkesztője ingyenes lett (2016.03)
greatis.com/utilities/posterit
A 4-es nyomtatónkkal plakát méretű képet nyomtathatunk vele (darabokból összerakva). Személyes
használatra ingyenes.
g-recorder.com
Skype beszélgetésünkről hangfelvételt készíthetünk vele MP3 formátumban. A Windows "rendszerűhöz" van
ingyenes (max 10 perces) változata is
Group of selectors
= csoport kijelölés
Hashtag
= kettőskereszt (#)
Hátsó kapu (hátsó ajtó)
= Backdoor
(az operációs rendszer szintjén képes észrevétlenül hozzáférést biztosítani a számítógépünkhöz
Háttér tulajdonságok
= Background properties
Hawking a gépekről
Stephen Hawking a BBC-nek adott interjúja szerint:
a mesterséges intelligencia az emberiség végét jelentheti, mert a gépek képesek lesznek újratervezni
magukat, sőt új típusú fegyvereket is létrehozhatnak.
Az ember a lassú biológiai evolúciója miatt nem tud majd versenyezni a számítógépekkel, amelyek a
Moore törvénye szerint minden másfél évben megduplázzák a sebességüket és memóriájukat.
A gépek intelligenciát fejlesztenek ki, és mivel egyre gyorsabban lesznek képesek újratervezni
magukat, ezért - ha nem vigyáz az emberiség - akkor már a közeljövőben megvalósulhatnak a Mátrix,
és a Terminátor filmekben látottak.
(hvg.hu, 2014.12.08)
Head
= fejléc
Height
= magasság
Hex
= Hexadecimal
Hexadecimális számrendszer
= tizenhatos számrendszer
számjegyei = 0, 1, 2, 3, 4, 5, 6, 7, 8, 9, A, B, C, D, E, F
(pl) E = 14, F = 15
Hiányos biztonság
A világon átlagosan hatból egy gépen semmilyen biztonsági szoftver sincs, vagy az ki van
kapcsolva (2012.06)
Hibakereső
= Debugger (+)
Hidden
= rejtett
Hide
= elrejtés
high-end
= jó minőségű, jól menő
Hoaxok
Túl érdekes történeteket, álhíreket(hoaxokat) azért küldik, hogy forgalmat generáljanak egy spam oldalnak.
Gyanús forrású üzeneteket ne posztoljunk(Facebook).
Honlap
Összetartozó weboldalak együttese, amik között linkekkel tudunk átjárni
Horizontal
= vízszintes
href
= attribútum, név
HTML/ScrInject B vírus
Trójai, hátsó ajtót nyit a megtámadott rendszeren, és ott további kártékony JavaScript állományokat
tölt le a gépünkre.
https://howsecureismypassword.net
Ahogy gépeljük be, úgy mutatja, hogy egy normál PC-vel mennyi idő kell a jelszónk feltöréséhez.
https://pixlr.com/desktop
Autodesk ingyenes, nagytudású képszerkesztője
https://www.eascrypt.com/download/
Ingyenes fájltitkosító.
httrack.com
Weboldal lementő. Feltelepítése után csak be kell illesztenünk a lementésre váró oldal URL-jét
(free software)
Hüvelyk
= coll
= inch
= pl: 11" = 11 x 2,53 cm
Hyphen
= kötőjel
ICT
= információs- és kommunikációs technika
id
identifier = azonosító
ID selector
= azonosító kijelölők
iframe
Rosszindulatú iframe: telepítünk egy rosszindulatú Facebook alkalmazást, amely átveszi az irányítást az oldalunk felett
(nézzük meg, hogy az alkalmazás milyen engedélyeket kér).
Impersonation
= megszemélyesítés
Import
= beolvas
Inch
= coll
= (magyarul) hüvelyk = 2,53 cm
= pl: 11" = 11 x 2,53 cm
INDECT project
Az EU által támogatott project(2012.06) célja egy olyan intelligens rendszer kifejlesztése, amellyel offline és online megfigyelhetnek
minket, és viselkedésünket kielemezhetik. Részei:
- térfigyelő kamerák (hang, mozgás, testhőmérséklet figyelése, rögzítése)
- internetes aktivitásunk figyelése
- adatunkat összesítő, kielemző központ.
Az Anonymus hacker csoport a project társadalom elleni veszélyeire hívta fel a figyelmet.
inerziasoft.eu/en/software/inerziamonitor/
Gépünkről mindent megmond nekünk.
Inference engines
= következtető gépek
Ingyenes vírusirtók (2012)
Avast
Avira Antivir
AVG 9.0
Comodo Antivirus
Comodo Internet Security
Microsoft Security Essentials
Ingyenes Windows takarító és optimalizáló programok(2011)
- Advanced SystemCare Free
- Ccleaner
- JetBoost, JetClean
- toolwiz.com
Inline elem
= soron belüli elem
Insert
= beszúrás
inspire-soft.net/software/screenshoter
Teljes képernyőt, v. az egérrel kijelölt területet lefotózza, és ezt PNG, BMP, JPG fájlba elmenthetjük
intrinsic ratio
= belső arányok
Internet adatmennyisége
Az egész internet -egyes becslések szerint 2016-ban- 18,5 petabájtnyi adat lehetett.
Interpretált nyelv
= a parancsait az erre kifejlesztett program gépi kódra való lefordítás nélkül hajtja végre
Introduce
= telepít
iobit.com/iobit - unlocker.html
Törölhetetlen fájlokat "gyilkol" (de előtte győződjünk meg arról, hogy tényleg nincs szükség arra
a fájlra) (Free Download)
ip-check.info/?lang = en
Rá kattintva döbbenten láthatjuk, hogy mennyi információt adunk meg a gépünkről, internetezési szokásunkról, a veszélyeket pirossal jelzi is nekünk.
ipnotebook.net
Ingyenes regisztráció után egy jegyzetfüzetben megmutatja az aktuális IP-címünket.
Iteráció
= ciklus
= ismétlődés ..
i.top500.org/sublist
Szuperszámítógépek listája
Japán szupervírus
A Fujitsu már 2008-óta fejleszti (a japán kormányzat megbízásából) az internetes támadásokat visszaverő, és azokat
lekövető szoftwert (azaz ellenvírust). Ez még a támadókról, sőt azok gépeiről is tud információkat szerezni,
és elletámadásba lendülni. Ezekkel a "cyberweapon" kódokkal USA és Kína már rendelkezik.
Java
A Java egy platorm független, objektum orientált nyelv, ezt -mint minden
nyelvet- fordítani kell, ezután tudja -ezt a lefordított kódot- a böngésző futtatni.
A Java forrásból készített kód az egy szabványos bájtkód, amit minden böngésző egységesen
futtat. A Javahoz vannak fordító programok, a fejlesztőprogramokat, és a
dokumentációkat is letölthetjük az internetről.
Javascript
A Javascript is platform független, az éppen nézett weblap jellemzőit befolyásolja. A
Javascript forrásszöveg általában a weblapban van elhelyezve, és legtöbbször meg is
lehet nézni. A javascript programokat nem fordítjuk, hanem azokat a böngésző értelmezi.
Jelszavak feltörése
= Password cracking
jobscan.co
Megmondja, hogy még milyen kulcsszavakat írjunk be az önéletrajzunkba.
Jóváhagyás
= Endorsement
JPEG
= Join Photographic Experts Group
Justified
= sorkizárt
Kémbabák
A próbababák szemébe épített kamerák megfelelő arcfelismerő programmal a nézegető vásárlók életkorát,
nemét, hangulatát is elég pontosan meg tudják határozni. A biztonsági kamerákhoz képest
előnyük, hogy szemből képet készítenek.
Kép felbontása
= dot per inch
= dpi: a kép felbontásának hívjuk az 1 hüvelykre eső képpontok számát, ennek mértékegysége a dpi
Kettőskereszt
= Hashtag (#)
Keyboard Properties
= billentyűzet tulajdonságai
Keylogging
= billentyűnaplózás
Keystroke logging
= billentyűnaplózás
kingsoftsecurity.com
ingyen program, amely a trójaiakat eltávolítja a gépünkről, és megtisztítja a Registryt, a Settigs
opciónál állíthatjuk be a program jellemzőit.
Kis Herceg
A Kis Herceg (Mini Duke) kibertámadó főleg a kormányzati szervereket nézte ki magának.
Kód(ol)
= Code (+)
Kódvisszafejtés
= Reverse engineering
Konstans méretű tömb
= Statikus foglalású tömbök
Konzol
= Console (+)
Kölcsönösen egyértelmű leképezés
one-to-one mapping (+)
Következtető gépek
= Inference engines
Központi végrehajtó egység
= CPU
= Central Processing Unit
Kurzweil a Mesterséges Intelligenciáról
Ray Kurzweil a szingularitás küszöbén című könyvében 2020 környékére teszi, hogy lehagyja az
embert a mesterséges intelligencia. Ezt arra a felismerésére alapozza, hogy a technológia fejlődés
exponenciálisan nől. Az információtechnológia sebessége, ár- teljesítmény aránya ~évente duplázódik,
exponenciális ütemben nől. Az exponenciális fejlődés azt jelenti, hogy az ilyen típusú fejlődés először
észrevehetetlen (kezdetekkor a lineáris jellegű alatt marad) majd egy pontot elérve robbanásszerű lesz
("teljesen átalakító"). Sőt szerinte az orvostudomány, és a természettudomány is eszerint fejlődik.
Mivel a mesterséges intelligencia fejlettebb lesz nálunk, ezért az agyunk mintázatát áttehetjük egy
"fizikai testbe" (a számítógépbe) és így örökké fogunk élni (azért nem biztos, hogy az emberek döntő
többsége ilyen örök életről ábrándozik).
Így a technológiát vallásnak is mondhatjuk, a technológiai fejlődésben való hit vezet el az "örök élethez".
Tehát Kurzweil a tudat helyett az információk elrendezését biztosító mintázatokat (az agyban,
az anyagban, ...) helyezi a legfelsőbb szintre, mintázatként meghatározva mindent, az embert is.
Itt megállva logikai ellentmondásnak is vehetjük azt, hogy az embernél már fejlettebb mesterséges
intelligenciának miért volna szüksége egy fejletlenebb mintázat (az agy) bevételére, ami amúgy is
beolvasztást jelentene, nem az "agyunk" irányítana.
Az általános matematikai mintázatot tekintve valószínűsíthetjük, hogy az eggyel alacsonyabb szintből,
a szimmetriák szintjéből a spontán szimmetriasértést nem vette figyelembe (az egyenleteknek más megoldása
is lehet), és az (alap)halmazok "egyenlőségének" feltételezése sem lehet jó elképzelés, ezért merülhetnek
fel nem természetes dolgok a végkövetkeztetésében.
Látogatottság mérése
Az oldalak látogatottságát nem tudjuk pontosan megmérni.
Két módszert használunk a weboldalak látogatottságának a mérésére:
- log analízist
- külső mérési technikát
1. A szerver adatait vesszük figyelembe, azaz log analízist készítünk.
A szerver egy programmal rögzít mindent ami a szerveren (v. a gépünkön) fut.
Ekkor az egyedi IP címeket számoljuk egyedi látogatóknak.
De egy IP címről többen is jöhetnek (pl. céges hálózat), vagy ellenkezőleg egy ADSL kapcsolatot,
dinamikus, azaz bejelentkezésenként változó IP-vel, mindig új egyedi látogatónak veszünk.
2. Külső mérési technika pl:
kód elhelyezése az oldalon, vagy a szerveren, cooki-val történik az azonosítás. Ekkor csak azt
mérünk, amit akarunk, ez az elfogadottabb.
De azokat nem méri, akik letiltják a cookie-kat.
(Tehát a látogatók számát pontosan csak a regisztrált felhasználók esetén mérhetjük)
(onlinemarketing.bolg: 2007.07)
launch.spotflux.com
Internetforgalmunkat titkosítja, megtisztítja a kártékony kódoktól, így anonim böngészhetünk, elérhetjük
még a földrajzilag tiltott oldalakat is.(pl: Hulu, Pandora, ...)
Legend
= jelmagyarázat
Like és Share támadás
Arra kérnek, hogy lájkoljunk egy Facebook oldalt, de egy kérdőívre irányítanak, ami adatokat kér(ne).
Line
= grafikon
Linker
= szerkesztő ..
Locked
= zárolt
Log
= gépnapló (+)
Login
= belépés
Loggings
= naplózások
ML
= machine learning
= gépi tanulás
Mail Merge
= körlevél
Malware
A MALicious SoftWARE, azaz a kártékony szoftverek összevonásából keletkezett.
Ide tartoznak a:
- vírusok
- férgek
- trójai programok
- botok
Ez egy általános kategória, amelybe minden károkozó programot be tudunk sorolni.
2011 végére már 75 millió különféle malware változatot tartottak nyilván.
Mandatory
= kötelező (engedélyezés fajta)
Manipulátorok
Kiírásokhoz használt:
left = balra igazítás
setfill() = kitöltő karakterek megadása
setw() = kiírás szélességének a megadása
right = jobbra igazítás
Mappa törlése
= Remove directory
Maradék
= %
páros-e egy szám, kifejezés:
a % 2 == 0
Margin
= külső margó
mark0.net/soft-tridnet-e.html
Kiterjesztés nélküli fájlok ingyenes azonosítására szolgáló program (programot + a hozzá tartozó
adatbázist is le kell töltenünk, v. az online változatot is használhatjuk)
Maszk
= végrehajtás, törlés, ... (objektum szintű hozzáférési listánál)
Max-width
= legnagyobb szélesség
MDM
= Mobile Device Management = mobileszköz menedzsment
mediatab.mediaarea.net/index.php
Ingyenes, minden részletet megmond a média fájlainkról.
Merevlemez
A merevlemezünkön nem csak az adataink vannak, hanem a működés vezérlő programok is.
MI tulajok
Alexa: az Amazon mesterséges intelligencián alapuló technológiája
Cortana: a Microsoftnak
Siri: az Apple- nek
(2016)
min-width
= legkisebb szélesség
ML
= machine learning
= gépi tanulás
Mobilnet
Magyarországon 2,6 milló mobilnet használó volt 2016 augusztusában.
(eNET)
mockupbuilder.com
Ingyenes weboldalfelület tervező segédprogram. (Microsoft Silverlight szükséges hozzá)
Modifi
= módosítás
Monitored
= megfigyelve
MOOC
= Massive Open Online Course
= tömeges nyílt online kurzusok
moresiteslike.net
Egy URL-t v. keresőszót beírva (+Search gomb) kiadja a "rejtőzködő" hasonló weboldalakat.
Most Recently Used
= legutóbb használt
Name Order
= nevek sorrendje
Naplózások
= Loggings
nasolab.com/arraychaker
Videónkat több monitorból álló megjelenítőn történő "vetítéshez" felszabdalja. Mac App Store-ból
ingyenesen letölthető
nav
navigation = navigációs rész
nirsoft.net/utils/netbios_scanner.html
Megkeresi a hálózatunkhoz kapcsolódó számítógépeket.
Non-break space
= nem törölhető szóköz
notepad-plus-plus.org/download/v6.0.html
Notepad ++ kódszerkesztő, 6.0-ás verziója.
Not Checked
= nem jelölt
Notifications
= értesítés
Nyomkövetés
= Debug (+)
Nyomkövető program
= Debugger (+)
Oct
= Octal
Ofszet
= dokumentumon belül egy másik hivatkozásra mutató link
Oktális számrendszer
= nyolcas számrendszer
számjegyei = 0, 1, 2, 3, 4, 5, 6, 7
one-to-one mapping
kölcsönösen egyértelmű leképezés (+)
oneshar.es
egyszeri elolvasás után megsemmisíti az üzenetünket.
onetimesecret.com
Vele úgy küldhetünk üzenetet, hogy megsemmisíti önmagát, így bizalmas információt is küldhetünk
(Ekkor is ajánlott az összetartozó adatainkat (pl: jelszó-felhasználónév) külön levelekben elküldeni.)
Be kell írnunk a titkos üzenetünket, s a kapott URL címet már el is küldhetjük.
Open
= megnyitás
Operátorok
= műveleti jelek, operandusok ..
Options
= beállítás
Options
= választás
Ordered list
= számozott lista
Original Size
= eredeti méret
Outline
= vázlat
Önellenőrzés
= Auto-detection (+)
Packet analyzis
= csomagelemzés
Padding
= belső margó
Padding-bottom
= alsó belső margó
Padding-top
= felső belső margó
Page Setup
= oldalbeállítás
Paragraph
= bekezdés
Parancsértelmező nyelv
= Console command language
Paste
= beillesztés
Password cracking
= jelszavak feltörése
Pattern
= mintázat
Payload
= büntető rutin, a vírusok, trójai programok által tartalmazott kiegészítő funkció (adatlopás,
BIOS felülírás, ...), amely nem mindig okoz közvetlenül kárt (de a Trójai programok írói ezt
a titkos rutint akarják megvalósítani).
pdf file
A rosszindulatú kódot pdf file-ban is elküldhetik nekünk e-mail-ben. Ha megnyitjuk, a kémprogram
azonnal bekerül a redszerünkbe s figyeli, hogy milyen billentyűket ütünk le.
PDF olvasók (2011)
- saját Adobe Reader alkalmazásai
- Sumatra PDF Viewer (ingyenes)
- PDF-X Change Viewer (ingyenes)
- Foxit Reader (foxitsoftware.com) (gyors, ingyenes)
- Soda 3D PDF Reader (sodapdf.com) (úgy lapozhatjuk vele a PDF formátumot, mintha könyvet olvasnánk,
ingyenes)
Pending
= függőben lévő
Permission
= engedély (hozzáférés-vezérlési listánál)
photofiltre.com
Saját használatra ingyenes képszerkesztő.
Place at
= elhelyezés
Platformfüggetlen
= Cross-platform (+)
Point
= hivatkozás
"Poloska" keresés
Aktív lehallgatókészülékeket a leadott jel észlelésével szokták észlelni.
Inaktív poloskák érzékelése pl. egy magyar készülékkel lehetséges az anyaguk alapján. A műszer
nagyfrekvenciás hullám kibocsátásával gerjeszti a félvezetőket, és a visszaverődő megváltozott
jel mutatja ki a jelenlétüket.
POP
= Post Office Protocol
Position
= helyzet
PNG
= Portable Network Graphics
Preview
= minta
Privilege
= jogosultság
Properties
= jellemzők
Protection
= védelem
Protection Password
= jelszó betekintés
Physhing (adathalászat)
Bizalmas személyes információkat próbálnak szerezni (pl: jelszavak, hitelkártya
adatok). Általában hamis email üzenetet küldenek egy megbízhatónak látszó
személytől vagy intézménytől, és ebben különböző információkat kérnek. Általában
bankok nevében jelentkeznek, és különféle szankciókkal fenyegetőznek, ha nem teljesítik
kérésüket. A leveleik, és az abban lévő linkek nagyon hasonlítanak az eredetire.
De tudnunk kell, hogy az ilyen cégek sosem kérnek be ügyfélnevet, és jelszót
kéretlen email üzenettel.
Védekezés: ahogy elindítottuk a böngészőt, utánna rögtön töröljük ki az átmeneti tároló
tartalmát, és mi gépeljük be az adott hivatal URL címét.
Utánna pedig a böngészőben megjelenő https (http utáni s jelöli a titkosítást)
adatforgalmat jelölő lakat ikont figyeljük!
PWM
= pulse-width modulation
= impulzusszélesség-moduláció
(LED-es képernyők energiafogyasztását csökkentő technológia)
Range
= tartomány
Read Only
= csak olvasásra
Reboot
= újraindítás
Reference
= hivatkozás
Referer
A nyomonkövetéseknél legegyszerűbb a referer-ek figyelése: csak egy egyszerű kódsort kell illesztenünk a weboldalunk forrásába, és ha valaki megnézi az oldalunk, akkor tudni fogjuk a "referer"-t, tehát, hogy a látogató melyik weboldalról jött.
Registry Editor
= regisztrációs adatbázis szerkesztő
Relative
= relatív v viszonyított
Remote control
= távirányítás
Remove directory
= mappa törlése
reneelab.com/product_download.php?id=60
A véletlenül törölt fájlokat visszaállítja, van ingyenes változata is.
researchgate.net
Tudósok "facebookja", információcsere céljára.
Reviev
= megmutat
Replace
= csere
Reset All
= alaphelyzet
Reverse engineering
= kódvisszafejtés
RGB
= Red, Green, Blue (színek)
= színrendszer = az alapszínekből állítja elő a színeket (vörös + zöld + kék)
Role
= szerep (hozzáférés-vezérlési listánál)
Root
= gyökér, alap
Rootkit
Segítsével titokban lehet irányítani egy számítógépet. Neve onnan származik, hogy
UNIX alatt a rendszergazdai jogokat nevezik "root" jognak.
Windows alatt rendszerleíró adatbázis (Registry) kulcsokat, futó programokat, vagy
állományokat rejtenek el előlünk.
Így pl. keylogger-t (billentyű leütés naplózót) is észrevétlenné tud tenni.
Row
= sor
RPG
= Role-playing Game
= szerepjáték
Rule based
= szabály alapú rendszerek
(minta)sablon
= Template (+)
SACL
= System Access Control List (biztonsági naplózás szabályozása) (tehát nem engedélyezés)
Save
= mentés
scammerek
= átverők
scenegrabber.net
Fotókat készíthetünk videóról, és JPG formátumban elmenthetjük (Edit/preview), ingyenes
Scientific
= exponenciális alak (hatványalak)
script támadás
Egy érdekes oldal megtekintéséhez be kell másolni a böngészőnk címsorába,
ahol az önkicsomagoló kód ezután üzenget a nevünkben.
Scroll Bar
= gördítő sáv
Security Descriptor
= biztonsági leíró (összefogja a többi elemet)
Select All Sheets
= minden lap kijelölése
Setprecision
= tizedes jegyek számának megadása
Settings
= beállítások (+)
Setup
= bállít
Shading
= árnyékolás
Shadowing
= nyomon követés
Shared Folder
= megosztott mappák
shouldiremoveit.com
Abban segít, hogy melyik programot távolítsuk el
SID
= Security Identifier (számítógép / felhasználó azonosítója).
A SID alapú azért jobb a login név alapú azonosítástól, mert a login átnevezhető,
a SID pedig gépspecifikus, így két ugyanolyan nevű, de külön gépen létrehozott
felhasználó is megkülönböztethető (ne engedélyezzük a fiókok SID- inek a felsorolását, mert
azt a hackerek kedvelik)
Side effect
= mellékhatás ..
Skip
= szkip, ugrás
smallpdf.com
Ingyenes oldal, itt lehet a pdf-eket szerkeszteni, (és elmenthetjük)
SMART
Search engine for MultimediA environment geneRated contenT rendszer. Ez lesz a közösségi kereső:
az internetes tartalmakban történő keresésen túl, fel fogja használni a kamerák (térfigyelő, ...),
az okostelefonok, gépjárműkövetők, ... adatait is.
smart-ip.net/check-email
verify-email.org
mailtester.com/testmail.php
Megmutatják, hogy nem hamis-e a kapott e-mail címe (biztosabb többel is átnézetni).
snapfiles.com/get/spybot.html
Kém-, reklámprogramoktól is megszabadít. Vizsgálhatja az egyes fájlokat v. az egész rendszert.
Social Engineering
Social Engineering = pszichológiai megtévesztésen alapuló módszer, ez az egyik
legnehezebben kivédhető átverésfajta.
softpedia.com/get/Antiwirus/Removal-Tools/VirCleaner.html
Ingyenes vírusirtó.
softpedia.com/get/Multimedia/Graphic/Graphic-Others/Collagerator.shtml
Egyszerű, és ingyenes fotómontázs készítő.
softpedia.com/get/Network-Tools/Network-Information/Wireless-Network-Watcher.html
A wifi-hálózatunkhoz kapcsolódó eszközöket jelzi, és megadja IP-címüket, eszköznevüket, ...
softpedia.com/get/Network-Tools/Network-Monitoring/Real-Network-Monitor.shtml
Mindent elmond a netkapcsolatunkról.
softpedia.com/progDownload/FilExile-Download-172566.html
Törölhetetlen fájlokat töröl.
softpedia.com/progDownload/3DP-Chip-Download-118335.html
A számítógépünk hardvereit működtető eszközmeghajtó programokat frissíti: hordozható és ingyenes,
nem kell telepíteni, csak az exe. fájlra kattintani. Ekkor megmutatja, hogy milyen típusú az alaplapunk, a
videokártyánk ... , hardwereszközeinket → ezekre kattintva elérhetjük az operációs rendszerünknek megfelelő frissítést.
softpedia.com/progDownload/Winformation-Download-152531.html
A hardver + a szoftver komponenseket is kimutatja
soft4boost.com/any-uninstaller
Egyszerűen, és hatékonyan tudunk vele programokat eltávolítani.
Sort by
= rendezze
Sortörés
- betű változóban is, csak akkor már nem char típus, hanem string
Social engineering
= emberek félrevezetése
sparksecurity.baidu.com
Baidu gyors, és biztonságos böngészője
Speake(a)r
Izraeli kutatók olyan szoftvert készítettek, ami módosítja a számítógép alaplapjának
(Real Tek chip) egyik funkcióját, így szinte bármelyik számítógép felhasználója lehallgathatóvá
válik, hiába ragasztjuk le a kamerát, a fejhallgatóval is lehallgathatnak 6 méterről is.
(hvg.hu, 2016.12.04)
Special
= helyettesítők
SPF
=Sender Policy Framework, segítségével hitelesítheti az emaileket a küldője.
Spy from the Sky
"Kém az égből" projektet 2007- óta alkalmazzák: repülők a mobilszolgáltatók mobiltornyainak adják
ki magukat, s így nyomon követik a mozgásunk, üzeneteket, fotókat, ... így a
kémkedőknek nem kell engedélyt kérni.
(hvg.hu, 2014.11.17)
Spyware (kémprogram)
Az eredeti definició szerint az egy nyomkövető program (Tracking Software) amelyet tudtunk nélkül
telepítettek a gépünkre. Tevékenysége szokásaink megfigyelésétől kezdve a banki azonosítók,
jelszavak megszerzéséig terjedhet, amit harmadik félnek adnak tovább.
Többféle módszert alkalmaznak:
- hasonlót a trójai falóhoz
- férgek büntető rutinja lehet
- terjedhet weblapokon keresztül
- hamisított vírusírtó programok is lehetnek, amelyek valójában maguk a kémprogramok
Tágabb értelemben a kémkedő és egyéb kéretlen alkalmazások közé soroljuk. Bizonyos cooki állományokat,és
a kereskedelemben kapható billentyűleütés naplózókat is ide soroljuk.
src
= Source = forrás (a kép fájlnevét adja meg)
Static
= statikus
statmyweb.com
18 webstatisztikát készít tetszőleges weboldalról.
Status Bar
= állapotsor
Stop Value
= végérték
Stuxnet vírus
A vírusok vírusa korszakhatár a számítógépes vírusok történetében, mert ez az első eset, hogy egy
rosszindulatú program, egy számítógépes féreg nem csak adatot lop, vagy szoftvereket tesz tönkre,
hanem az általuk vezérelt mozgó alkatrészeket is (pl. túlzott felgyorsításukkal). Az ipari rendszereket
irányító számítógépekbe (PLC-kbe) férkőzik be, s az internethálózat hiánya sem volt akadály előtte,
egy belső ember telepítette fel.
Még nagyobb a veszély miután nyilvánosságra került a forráskódja, mintául szolgálhat újabb hasonló
vírusokhoz. A szakértők szerint a Stuxnet olcsó, és hatékony módja a hadviselésnek.
Subdirectories
= alkönyvtárak
Subtotal
= részösszeg
Suggestions
= javaslatok
Summary
= adatlap
Sup(erscript)
= felső index
Switch To
= futó programok
synei.com/items/downloads/download-system-utilities
Rendszeroptimalizáló (home fülre kattintva)
System Configuration Editor
= rendszer beállítás
System Properties
= rendszer tulajdonságok
Szabály alapú rendszerek
= Rule based
Számítógépes programhiba
= Bug (+)
Szekvencia
= sorozat
= egymást követő utasítások együttese, egymás utáni végrehajtás ..
Szelekció
= elágazás ..
Szintaktikai
= formai
szemantikai = működési
Szintek
beginner = kezdő
intermediate = középfokú
advanced = haladó
expert = szakértő
Tash builder
= szerkesztőprogram
Template
= (minta)sablon (+)
thisis.org
Hordozható, telepítést nem igénylő toolbar-eltávolító.
Titkok a szemétben
Még a cégvezetők sem érzik igazán, hogy mennyi adat maradhat a kidobott számítógépek merevlemezén
(pl: vezető bank alkalmazottainak személyes levelezését, bankszámla számokat, személyi számokat, ...
is találtak már a kutakodók. Csak egyszerű törlési parancsokat használnak, amik az interneten mindenki
által elérhető programokkal pár órás tanulás után - bárki által helyreállíthatóak.
TLD
Top Level Domain (TLD) = legfelsőbb szintű domaintartomány (pl. → .com, .google)
TLS
=Transport Layer Security, segítségével titkosíthatjuk a leveleket.
To value
= célérték
Tor
The Onion Router (Tor): eredetileg az amerikai haditengerészet fejlesztette ki a Tor kliensszoftvert.
A teljes körű anonimitást biztosító Tor hálózaton elérhető "sötét web" ~ 500-szor nagyobb a nyílt internetnél.
(hvg.hu, 2014.11.10.)
Trojan Horse (trójai faló)
Mint Trójában is, mást csinál, mint amit magáról "állít". Nem mindig rombolnak, de sok esetben
kitörlik a fájlokat, felülírják a merevlemezt, rejtett távoli hozzáférést (backdoor) biztosítanak
a támadóknak, vagy ellenőrzik a billentyűleütéseket, valamint ellopják a jelszavainkat,
készítői általában játéknak, vagy valamilyen hasznos segédprogramnak álcázzák.
TSPY_PIXSTEAL.A
A kártevő a gépünkön található összes képünket elküldi egy távoli szerverre.
Turdus
pl: turdus-on: konzolon (fordítsuk ésfuttassuk)
Type selector
= elem kijelölők
u
= underline = aláhúzott
Újraindítás
= Reboot
ul
= Unordered list = számozatlan, rendezetlen lista
Undo
= visszavon
Ungroup
= csoport bontás
uniblue.com/software/driverscanner
Download Now → letöltése, telepítése után az eszközmeghajtó programjainkat átnézi, "learnmore"
feliratra kattintva megmutatja a problémás drivert, és megkeresi mit érhetünk el helyette (de a frissítés
letöltése már nem ingyenes)
Unlock
= felold
URL
= Uniform Resource Locator
= egységes erőforrás-azonosító (webcím)
azonosító kódsorozat, megadja az adott hely interneten való elérhetősége adatait (szabványosított cím)
v (információ pontos helye egy távoli számítógépen)
Update Remote Reference
= külső hivatkozásokat felfrissít
Updated
= felülírt (fájl)
Up grade
= (fájlt) frissít
Utasítás
= tetszőleges kifejezés utasítás lesz, ha pontosvesszőt teszünk utánna (kifejezés;)
= utasítások:
vezérlő
értékadó
be/ki
egyéb
Üzleti hírszerzés
Az üzleti hírszerzés az elfogadott, a világcégek pl: IBM, Coca-Cola, ... már rég létrehozták a
saját hírszerző szervezeteiket. Az állami hírszerző szervezetek is végzik az üzleti hírszerzést
(bi = business intelligence), még a BME-en is oktatják a Mérnöktovábbképző Intézetben:
"segítsék a vállalatok hatékony külpiaci fellépését", dezinformációval járassák le a konkurrenciát.
Változó
- azért változó, mert akárhányszor adhatunk neki értéket
Value-if-false
= érték ha hamis
Végpontok közötti titkosítás
= end-to-end
Vertical
= függőleges
viber.com
Asztali gépekről is ingyen telefonálhatunk.
Viewport
= képernyő
Vírus
Képes reprodukálni magát - ugyan olyan, vagy módosított formában - egy másik
végrehajtható kódba.
"Beszúrja" saját másolatát az eredeti programokba, így a saját kódja is lefut,
és közben újabb programokat fertőz meg.
Néhány vírus felülírja az eredeti program kódot - s így tönkre is teszi azt -,
de legtöbb esetben a gazda pogram, és a vírus kód is életképes marad.
Néhány vírus email üzenet útján is terjed, de a levelezésben szereplő kártevők legnagyobb része féreg.
A vírusra jellemző, hogy a saját maga sokszorosítása a célja.
Többféle hosts (gazda) programot használhatnak:
- számítógépes programokat
- szkript kódokat (pl. Visual Basic)
- boot (betölthetők): ezek adják meg a számítógépeknek, hogy hol találják a
rendszerindításhoz a szükséges adatokat.
Vírusirtók hatékonysága
Egy felmérés szerint (2013 eleje) a vírusirtók a vírusok több mint 1/3-át nem ismerték fel.
Az emailek vírusait átlagosan majdnem 1 hét után ismerték fel, a "webeseket" csak ~3 hét után,
a közösségi oldalakét pedig csak 4 hét után.
virustotal.com
~46 vírusirtó segítségével ellenőrzi le a feltöltött fájlunkat (akár 32 Mb-os állományt is feltölthetünk)
megvizsgálhatunk vele egy weboldalt is:
scan an URL → kívánt URL-t beírjuk → Scan It gombra kattintva átvizsgálja
virustotal.com/hu
Ingyenes, és egyszerű: kiválasztjuk a fájlt, majd az Ellenőrizd gombra kattintva azt
46 vírusellenőrzővel nézi át.
Visibility
= láthatóság
Visible
= látható
Visszatérési érték
- main fv-é: általában nulla, más értéket hibajelzésre használunk
- int fv: integer = egész szám
- return 0 utasítás: adja a fv visszatérési értékét, most nullát
VLC
Ingyenes videolejátszó. A View/Advanced Control (Nézet/Speciális Vezérlőelemek) gombra kattintva
felvételt, pillanatképet készíthetünk az éppen nézett videóról, és 2 pont között is ismételtethetünk.
A Media/Convert/Save(Media/Átalakítás/Mentés) → Add (Hozzáadás) → Disc (Lemez) pedig
formátumokat is konvertál egyikből a másikba.
Vlink
= Visited link = már látogatott link
VPN
= Virtual Private Network = virtuális magánhálózat = egy számítógép hálózat felett kiépített
másik hálózat, ez azért magán, mert a VPN-en keresztülmenő adatok nem láthatók az eredeti
hálózaton, mivel titkosított adatcsomagokba vannak becsomagolva
Weboldal
= ami a böngészőnk ablakában látható
website.grader.com
Honlapunkat értékeli
Width
= szélesség
Window Options
= ablakbeállítás
(Ingyenes) Windows takarító és optimalizáló programok(2011)
- Advanced SystemCare Free
- Ccleaner
- JetBoost, JetClean
- toolwiz.com
Worksheet
= munkalap
Worm (féreg)
A fertőzéshez gazdaprogramot nem igényelnek. Egyszerűen sokszorozódnak, és
elárasztják a gépünk rendszereit. Valamilyen érdekes üzenettel jönnek (általában sex fotókkal).
Könnyebb eltávolítani mint a vírusokat, mert nem fertőznek fájlokat.
Wrap Text
= sortörés
Wrapper
= befoglaló terület
Write Reservation Password
= jelszó írásvédelemre
www platform
A www már a kialakításakor is platform független szolgáltatás volt. Ha van egy
böngészőnk az adott operációs rendszerre, akkor mindegy, hogy milyen géppel böngészünk:
tehát ez egy gép- és operációs rendszer független felület.
Zombi gépek
2006 októberében az USA-ban 970 ezer, Kínában 740 ezer, Németországban 300 ezer, Japánban 190 ezer
zombigép volt. A gépet zombivá tevő programok ellen nem elég a vírusírtó szoftverek használata. A
kártevők a Windows biztonsági résein, böngészés során is a gépünkre települhetnek, vagy elektronikus
levelek nem .exe kiterjesztésű csatolmányaiban pl: .pif, .gif végződéssel, képben elrejtett kódsorként
érkezhetnek.
A kártevők leállíthatják a vírusírtó programot is, mert előbb-utóbb az felismerné őket. Ezért a
szervízcsomagok folyamatos letöltésére, és a tűzfalszoftverre is szükségünk van.
Magyarországi zombigépek száma - borúlátóbb becslések szerint - akár 10 %-os is lehet.
Zoom
= nagyítás
zorin-os.com/free.html
A legismertebb Linux verziók, (Ubuntu, és a Suse) mellett (ez is Ubuntu alapú) az egyik legérdekesebb,
teljesen "windózos" kinézetű
3d.transaero.ru
Boingek belsejében nézelődhetünk.
3rd-eye.tk
Ingyenes Távfelügyelet lehet a kameránkból.
12 bytes.org/software/process-liquidator
Lefagyott alkalmazásokat "likvidálja"
Bibliográfia
- Bjarne Stoustrup: The C++ Programming Lamguage
- Horváth-Umann: Programozási Nyelvek: C++
- Zimmermann József: Bevezetés a C++ programozásba
- Pánczél István: C++
- Eiler Emil: Szoftverek ...
- ANSI C++ összefoglaló
- Tamás, Molnár, Devecseri, Graff: C++
Internet:
- Wikipedia.com C++
- tferi.hu C++
- webotlet.hu C++
- itkezdoknek.blog.hu C++
- mogi.bme.hu C++
vissza a lap tetejére
vissza a nyitóoldalra